Мотор-редукторы червячные МЧ2 (МЧ2-160/80, МЧ2-125/63, МЧ2-100/63, МЧ2-80/40 )
Мотор-редуктор червячный МЧ2 — это механизм в состав которого входит червячный двухступенчатый редуктор и электрический двигатель. Применяется во всех отраслях промышленности. Купить его можно у нас.
Изготовление в соответствии с собственным ТУ
Поставка редуктора в сборе с двигателем или только редукторной части с посадочными размерами валов по индивидуальному заказу
Гарантия 12 месяцев, наличие паспорта, дальнейшее постгарантийное обслуживание
Цена:
** Цены действуют только на территории Украины
-
Гарантия:18 мес.
-
Доставка:1-2 раб. дня
-
Оплата:По 20% предоплате

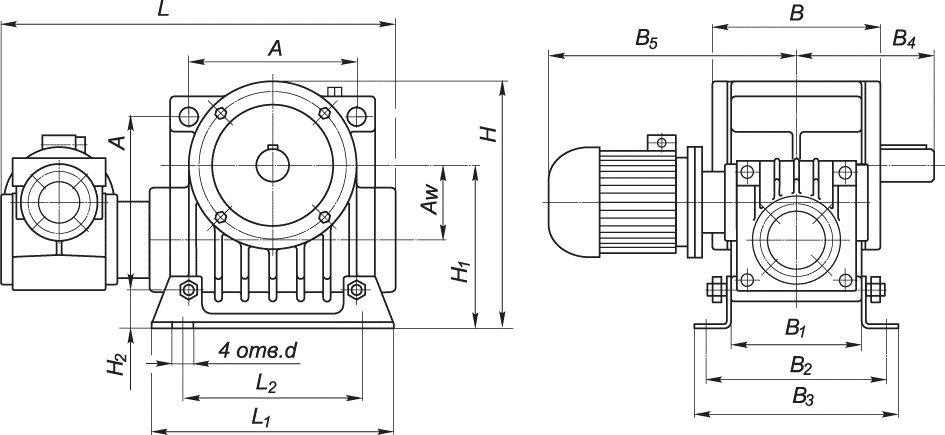
ГАБАРИТНЫЕ И ПРИСОЕДИНИТЕЛЬНЫЕ РАЗМЕРЫ МОТОР-РЕДУКТОРОВ МЧ2-40 - МЧ2-80
|
Мотор-редуктор |
Aw |
A |
B |
B 1 |
B 2 |
B 3 |
B 4 |
B 5 |
H |
H 1 |
H 2 |
L |
L 1 |
L 2 |
d |
|
МЧ2-40 |
40 |
105 |
120 |
100 |
140 |
164 |
100 |
320 |
180 |
112 |
37 |
260 |
180 |
150 |
13 |
|
МЧ2-63 |
63 |
150 |
145 |
125 |
165 |
197 |
120 |
330 |
232 |
145 |
40 |
323 |
220 |
180 |
13 |
|
МЧ2-80 |
80 |
180 |
165 |
140 |
185 |
212 |
145 |
370 |
267 |
172 |
42 |
358 |
260 |
225 |
15 |

ГАБАРИТНЫЕ И ПРИСОЕДИНИТЕЛЬНЫЕ РАЗМЕРЫ МОТОР-РЕДУКТОРОВ МЧ2-100 - МЧ2-160
|
Мотор-редуктор |
Aw |
B |
B 1 |
B 2 |
B 3 |
B 4 |
H |
H 1 |
H 2 |
L |
L 1 |
L 2 |
d |
|
МЧ2-100 |
100 |
194 |
175 |
140 |
225 |
380 |
312 |
200 |
18 |
421 |
240 |
200 |
19 |
|
МЧ2-125 |
125 |
243 |
230 |
190 |
230 |
480 |
396 |
236 |
22 |
485 |
275 |
230 |
19 |
|
МЧ2-160 |
160 |
282 |
280 |
230 |
280 |
590 |
500 |
300 |
30 |
581 |
350 |
300 |
22 |

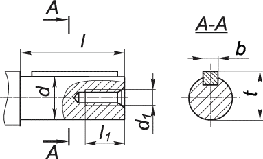
ПРИСОЕДИНИТЕЛЬНЫЕ РАЗМЕРЫ ЦИЛИНДРИЧЕСКИХ ВАЛОВ МОТОР-РЕДУКТОРОВ МЧ2-40 - МЧ2-80
|
Мотор-редуктор |
d |
d 1 |
l |
l 1 |
b |
t |
|
МЧ2-40 |
18к6 |
М5 |
28 (40) |
15 |
6 |
20,5 |
|
МЧ2-63 |
28к6 |
М8 |
60 (42) |
20 |
8 |
31 |
|
МЧ2-80 |
35к6 |
М8 |
80 (58) |
20 |
10 |
38 |

ПРИСОЕДИНИТЕЛЬНЫЕ РАЗМЕРЫ КОНИЧЕСКИХ И ЦИЛИНДРИЧЕСКИХ ВАЛОВ МОТОР-РЕДУКТОРОВ МЧ2-100 - МЧ2-160
|
Мотор-редуктор |
d |
d 1 |
l |
l 1 |
l 2 |
b |
t |
b 1 |
t 1 |
|
МЧ2-100 |
45 |
М30х2,0 |
110 |
82 |
90 |
12 |
23,45 |
14 |
49 |
|
МЧ2-125 |
55 |
М36х3,0 |
110 |
82 |
110 |
14 |
28,95 |
16 |
59 |
|
МЧ2-160 |
70 |
М48х3,0 |
140 |
105 |
140 |
18 |
36,375 |
20 |
75 |

ПРИСОЕДИНИТЕЛЬНЫЕ РАЗМЕРЫ ПОЛЫХ ВАЛОВ МОТОР-РЕДУКТОРОВ МЧ2-40 - МЧ2-160 (2 ВАРИАНТА)
|
Мотор-редуктор |
d |
d 1 |
l |
l 1 |
b |
t |
D х m х H8 |
|
МЧ2-40 |
23 |
18 |
112 |
72 |
6 |
20,8 |
22 х 1,5 х H8 |
|
МЧ2-63 |
33 |
28 |
108 |
68 |
8 |
31,1 |
32 х 1,5 х H8 |
|
МЧ2-80 |
41 |
35 |
116 |
66 |
10 |
38,3 |
40 х 1,5 х H8 |
|
МЧ2-100 |
46 |
35 |
205 |
90 |
10 |
38,3 |
45 х 2,0 х Н8 |
|
МЧ2-125 |
60 |
40 |
230 |
110 |
12 |
43,3 |
55 х 2,5 х Н8 |
|
МЧ2-160 |
72 |
60 |
275 |
130 |
18 |
64,4 |
70 х 2,5 х Н8 |
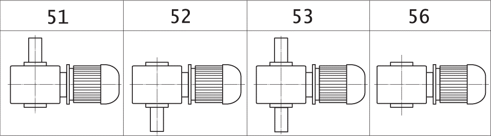
ВАРИАНТЫ СБОРКИ МОТОР-РЕДУКТОРОВ МЧ2 (вид сверху, червяк под колесом)

ВАРИАНТ РАСПОЛОЖЕНИЯ ЧЕРВЯЧНОЙ ПАРЫ В МОТОР-РЕДУКТОРАХ МЧ2 (вид сбоку)

Червячный мотор-редуктор МЧ2 (МЧ2-160/80, МЧ2-125/63, МЧ2-80/40):
Мотор-редуктор МЧ2 состоит из одно или трехфазного электродвигателя и двухступенчатого червячного редуктора. Условия его эксплуатации:
- режим работы длительный (до 24 часов в сутки) или с периодическими остановками;
- постоянная или изменяющаяся нагрузка;
- движение валов в обоих направлениях;
- климатическое исполнение У3 и Т2 при использовании на высоте не больше 1000 метров от уровня моря;
- при следовании требованиям ГОСТ 183-74 возможно использование на высоте свыше 1000 метров от уровня моря;
- невзрывоопасная и неагрессивная рабочая среда, имеющая в своем составе непроводящую пыль, концентрация которой не превышает 10 мг/м3.
Частота вращения выходного вала данного типа редукторов может иметь значение от 0,1 до 14 оборотов в минуту. Номинальный крутящий момент, в зависимости от типоразмера, лежит в пределах от 35 до 1900 Н*м.
Особенности червячных мотор-редукторов МЧ2 от компании "GlobalProm":
1. Плавная и бесшумная работа.
2. Сравнительно небольшие размеры.
3. Самоторможение.
Область применения
Мотор-редукторы МЧ2 производители которого находятся в Украине, широко используется в приводах конвейеров, транспортеров (ленточных, пластинчастых), дробилок (канализационных, шредерных), мешалок (бетономешалок, фаршемешалок, лопастных, вертикальных, пропеллерных), подъемников (консольных, грузовых), элеваторов, норий, кран-балок (тележек самоходных, концевых балок), дровоколов (конусные, горизонтальные), станки (оцилиндровочные, бревен) и др.
Закажите сегодня - получите дополнительный бонус!
Чтобы совершить покупку выбранного мотор-редуктора или получить консультацию от нашего специалиста, свяжитесь с нами любым удобным для вас способом: по указанном телефонам, через форму заказа товара (кнопка «Купить») или через форму обратной связи на сайте.
| Информация о товаре | |
|---|---|
| 1000-253 | |























