Редукторы червячные Ч2 (Ч2-40, Ч2-63, Ч2-80, Ч2-100, Ч2-125, Ч2-160)
Редукторы червячные типа Ч2 – это двухступенчатые устройства для передачи вращательного движения. Звоните нам для получения подробной информации!
Гарантия 12 месяцев
Изготовление в соответствии с собственным ТУ
Широкий диапазон передаточных чисел
Возможность изготовить редуктор по индивидуальным требованиям клиента
Цена:
** Цены действуют только на территории Украины
Редукторы Червячные.
Тип Ч2 (двухступенчатые)
|
Редуктор |
Ч2-40 |
Ч2-63 |
Ч2-80 |
Ч2-100 |
Ч2-125 |
Ч2-160 |
|
Номинальный крутящий момент на выходном валу, Н.м |
35 |
125 |
240 |
500 |
950 |
1900 |
|
Номинальное передаточное число |
100, 125, 160, 200, 250, 320, 400, 500, 630, 800, 1000, 1250, 1600, 2000, 2500, 3200, 4000, 5000, 6400 |
|||||

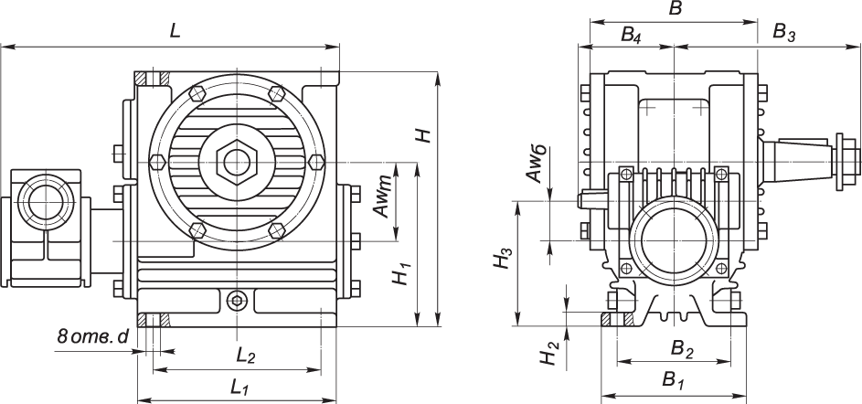
ГАБАРИТНЫЕ И ПРИСОЕДИНИТЕЛЬНЫЕ РАЗМЕРЫ РЕДУКТОРОВ Ч2-40 - Ч2-80
|
Редуктор |
Aw т |
Aw б |
A |
B |
B 1 |
B 2 |
B 3 |
B 4 |
B 5 |
H |
H 1 |
H 2 |
H 3 |
L |
L 1 |
L 2 |
d |
|
Ч2-40 |
40 |
30 |
105 |
120 |
100 |
140 |
164 |
100 |
90 |
180 |
112 |
37 |
102 |
260 |
180 |
150 |
13 |
|
Ч2-63 |
63 |
40 |
150 |
145 |
125 |
165 |
197 |
120 |
100 |
232 |
145 |
40 |
122 |
323 |
220 |
180 |
13 |
|
Ч2-80 |
80 |
40 |
180 |
165 |
140 |
185 |
212 |
145 |
100 |
267 |
172 |
42 |
132 |
358 |
260 |
225 |
15 |

ГАБАРИТНЫЕ И ПРИСОЕДИНИТЕЛЬНЫЕ РАЗМЕРЫ РЕДУКТОРОВ Ч2-100 - Ч2-160
|
Редуктор |
Aw т |
Aw б |
B |
B 1 |
B 2 |
B 3 |
B 4 |
H |
H 1 |
H 2 |
H 3 |
L |
L 1 |
L 2 |
d |
|
Ч2-100 |
100 |
63 |
194 |
175 |
140 |
225 |
135 |
312 |
200 |
18 |
163 |
421 |
240 |
200 |
19 |
|
Ч2-125 |
125 |
80 |
243 |
230 |
190 |
230 |
160 |
396 |
236 |
22 |
191 |
485 |
275 |
230 |
19 |
|
Ч2-160 |
160 |
80 |
282 |
280 |
230 |
280 |
160 |
500 |
300 |
30 |
220 |
581 |
350 |
300 |
22 |

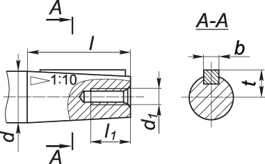
ПРИСОЕДИНИТЕЛЬНЫЕ РАЗМЕРЫ БЫСТРОХОДНОГО ВАЛА РЕДУКТОРОВ Ч2-40 - Ч2-160
|
Редуктор |
d |
d 1 |
l |
l 1 |
b |
t |
|
Ч2-63, Ч-80 |
16 |
М5 |
28 |
15 |
3 |
8,5 |
|
Ч2-100 |
22 |
М8 |
36 |
20 |
4 |
11,6 |
|
Ч2-125, Ч2-160 |
25 |
М8 |
42 |
20 |
5 |
13,45 |

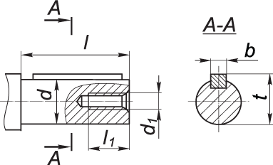
ПРИСОЕДИНИТЕЛЬНЫЕ РАЗМЕРЫ ТИХОХОДНОГО ВАЛА РЕДУКТОРОВ Ч2-40 - Ч2-80
|
Редуктор |
d |
d 1 |
l |
l 1 |
b |
t |
|
Ч2-40 |
18к6 |
М5 |
40 |
15 |
6 |
20,5 |
|
Ч2-63 |
28к6 |
М8 |
60 |
20 |
8 |
31 |
|
Ч2-80 |
35к6 |
М8 |
80 |
20 |
10 |
38 |

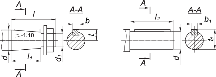
ПРИСОЕДИНИТЕЛЬНЫЕ РАЗМЕРЫ ТИХОХОДНОГО ВАЛА РЕДУКТОРОВ Ч2-100 - Ч2-160 (2 ВАРИАНТА)
|
Редуктор |
d |
d 1 |
l |
l 1 |
l 2 |
b |
t |
b 1 |
t 1 |
|
Ч2-100 |
45 |
М30х2,0 |
110 |
82 |
90 |
12 |
23,45 |
14 |
48,5 |
|
Ч2-125 |
55 |
М36х3,0 |
110 |
82 |
110 |
14 |
28,95 |
16 |
59 |
|
Ч2-160 |
70 |
М48х3,0 |
140 |
105 |
140 |
18 |
36,375 |
20 |
74,5 |

ПРИСОЕДИНИТЕЛЬНЫЕ РАЗМЕРЫ ПОЛЫХ ВАЛОВ РЕДУКТОРОВ Ч2-40 - Ч2-160 (2 ВАРИАНТА)
|
Редуктор |
d |
d 1 |
l |
l 1 |
b |
t |
D х m х H8 |
|
Ч2-40 |
23 |
18 |
112 |
72 |
6 |
20,8 |
22 х 1,5 х H8 |
|
Ч2-63 |
33 |
28 |
108 |
68 |
8 |
31,1 |
32 х 1,5 х H8 |
|
Ч2-80 |
41 |
35 |
116 |
66 |
10 |
38,3 |
40 х 1,5 х H8 |
|
Ч2-100 |
46 |
35 |
205 |
90 |
10 |
38,3 |
45 х 2,0 х Н8 |
|
Ч2-125 |
60 |
40 |
230 |
110 |
12 |
43,3 |
55 х 2,5 х Н8 |
|
Ч2-160 |
72 |
60 |
275 |
130 |
18 |
64,4 |
70 х 2,5 х Н8 |
ВАРИАНТЫ СБОРКИ РЕДУКТОРОВ Ч2 (вид сверху, червяк под колесом)

ВАРИАНТ РАСПОЛОЖЕНИЯ ЧЕРВЯЧНОЙ ПАРЫ В РЕДУКТОРАХ Ч2 (вид сбоку)

Червячные двухступенчатые редукторы типа Ч2 (Ч2-40, Ч2-63, Ч2-80, Ч2-100, Ч2-125, Ч2-160)
предназначены для уменьшения количества оборотов в минуту и повышения крутящего момента.
Они способны работать при неизменной или изменяющейся нагрузке, однонаправленной или реверсивной.
Могут работать как в повторно-кратковременном, так и постоянном режимах.
Рабочие валы способны вращаться в обе стороны.
Частота вращения ведущего вала ограничена значением 1500 оборотов в минуту.
Рабочая среда должна выполнять следующие условия: атмосфера первого и второго типа по ГОСТ 15150-69, запыленность воздуха не более 10 мг/м3.
Редукторы Ч2 производятся в нескольких климатических исполнениях. А именно: У, Т — для 1-3 категории размещения, УХЛ и О — для четвертой категории размещения. Помимо этого, редукторы выпускаются в нескольких типоразмерах.
Особенности редукторов типа Ч2 от компании «GlobalProm»:
- Бесшумная работа.
- Значение передаточного числа достигает 4000.
- Самостоятельное торможение.
- Допускаются кратковременные перегрузки, превышающие рабочие характеристики в два раза.
Область применения
Червячные редукторы (редуктор Ч2-80-160 цена которого приятно вас удивит, и другие модели) широко используются в различных приводах конвейеров, транспортеров (ленточных, пластинчастых), дробилок (канализационных, шредерных), мешалок (бетономешалок, фаршемешалок, лопастных, вертикальных, пропеллерных), подъемников (консольных, грузовых), элеваторов, норий, кран-балок (тележек самоходных, концевых балок), дровоколов (конусные, горизонтальные), станки (оцилиндровочные, бревен) и др.
Закажите редуктор Ч2 по цене от производителя!
Для получения полной информации по выбранному товару или консультации со специалистами обратитесь к нам любым удобным для вас способом: позвоните нам по телефону, указанному на сайте, или заполните форму обратной связи (форма доступна в разделе «Контакты» или при нажатии на кнопку «Купить» справа от фото товара).
| Информация о товаре | |
|---|---|
| 1000-261 | |





























