Мотор-редуктор планетарный МПО2М-15
Мотор-редуктор планетарный МПО2М-15 — это одно- и двухступенчатое специальное устройство, изготовляемое для приводов механизмов химической промышленности. У нас вы сможете быстро приобрести один из них. Звоните!
-
Гарантия:18 мес.
-
Доставка:1-2 раб. дня
-
Оплата:По 20% предоплате

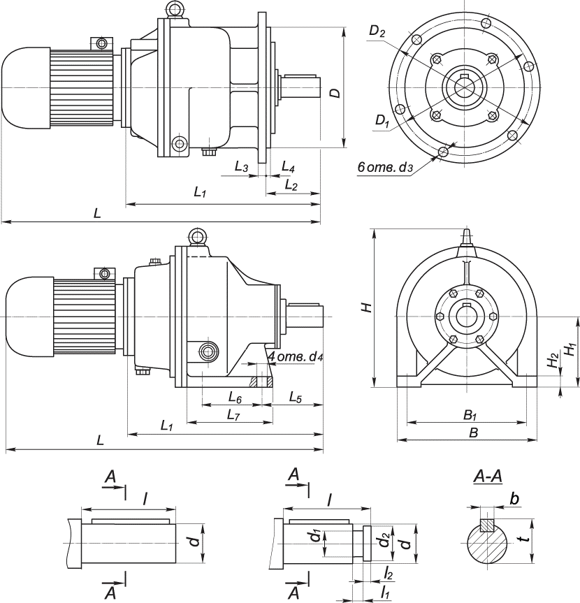
ГАБАРИТНЫЕ И ПРИСОЕДИНИТЕЛЬНЫЕ РАЗМЕРЫ МОТОР-РЕДУКТОРОВ МПО
|
Обозначение мотор-редуктора |
B |
B 1 |
D |
D 1 |
D 2 |
H |
H 1 |
H 2 |
L не более |
L 1 |
L 2 |
L 3 |
L 4 |
|
МПО1М-10 |
300 |
250 |
270 |
300 |
330 |
365 |
160 |
20 |
745 |
365 |
110 |
16 |
6 |
|
МПО2М-10 |
300 |
250 |
270 |
300 |
330 |
365 |
160 |
20 |
730 |
430 |
110 |
16 |
6 |
|
МПО2М-15 |
460 |
390 |
330 |
375 |
420 |
495 |
225 |
35 |
1010 |
620 |
190 |
20 |
10 |
|
МПО2М-18 |
600 |
520 |
470 |
520 |
565 |
570 |
315 |
45 |
1310 |
790 |
220 |
25 |
10 |
|
Обозначение мотор-редуктора |
L 5 |
L 6 |
L 7 |
d |
d 1 |
d 2 |
d 3 |
d 4 |
l |
l 1 |
l 2 |
b |
t |
n |
|
МПО1М-10 |
125 |
150 |
210 |
40k6 |
32 |
38 |
13 |
17 |
80 |
5 |
4 |
12 |
43 |
6 |
|
МПО2М-10 |
125 |
150 |
210 |
40k6 |
32 |
38 |
13 |
17 |
80 |
5 |
4 |
12 |
43 |
6 |
|
МПО2М-15 |
215 |
210 |
295 |
65k6 |
55 |
62 |
22 |
22 |
140 |
8 |
6 |
18 |
69 |
6 |
|
МПО2М-18 |
250 |
280 |
375 |
80k6 |
70 |
78 |
22 |
26 |
170 |
10 |
8 |
22 |
85 |
8 |
| Наименование технических характеристик | Типоразмер мотор-редуктора | |||
| МПО1М-10 | МПО2М-10 | МПО2М-15 | МПО2М-18 | |
| Допускаемая консольная нагрузка на выходном валу, Н | 1500 | 3000 | 7000 | 12000 |
| КПД | 0,97 | 0,95 | ||
| Масса, кг (без эл/дв) | 50 | 70 | 180 | 230 |
| МОТОР-РЕДУКТОР МПО1М-10 | ||
| Частота вращения выходного валаn, об/мин | Номинальный крутящий момент на выходном валу Мкр, Н.м | Мощность электродвигателя P, кВт |
| 125 | 113 | 1,5 |
| 227 | 3 | |
| 160 | 89 | 1,5 |
| 177 | 3 | |
| 325 | 5,5 | |
| 200 | 71 | 1,5 |
| 142 | 3 | |
| 260 | 5,5 | |
| 250 | 57 | 1,5 |
| 113 | 3 | |
| 208 | 5,5 | |
| 283 | 7,5 | |
| МОТОР-РЕДУКТОР МПО2М-10 | ||
| Частота вращения выходного вала n, об/мин | Номинальный крутящий момент на выходном валу Мкр, Н.м | Мощность электродвигателя P, кВт |
| 6,3 | 543 | 0,37 |
| 16 | 434 | 0,75 |
| 20 | 347 | 0,75 |
| 694 | 1,5 | |
| 31,5 | 220 | 0,75 |
| 441 | 1,5 | |
| 50 | 139 | 0,75 |
| 278 | 1,5 | |
| 555 | 3 | |
| 63 | 441 | 3 |
| МОТОР-РЕДУКТОР МПО2М-15 | ||
| Частота вращения выходного вала n, об/мин | Номинальный крутящий момент на выходном валу Мкр, Н.м | Мощность электродвигателя P, кВт |
| 4,6 | 1509 | 0,75 |
| 6,7 | 1036 | 0,75 |
| 14 | 991 | 1,5 |
| 18 | 1542 | 3 |
| 31 | 1642 | 5,5 |
| 45 | 1131 | 5,5 |
| 1542 | 7,5 | |
| 2262 | 11 | |
| 59 | 1176 | 7,5 |
| 1725 | 11 | |
| МОТОР-РЕДУКТОР МПО2М-18 | ||
| Частота вращения выходного вала n, об/мин | Номинальный крутящий момент на выходном валу Мкр, Н.м | Мощность электродвигателя P, кВт |
| 6,7 | 2072 | 1,5 |
| 15 | 1851 | 3 |
| 18 | 2827 | 5,5 |
| 22 | 2313 | 5,5 |
| 3154 | 7,5 | |
| 32 | 2169 | 7,5 |
| 3181 | 11 | |
| 49 | 2077 | 11 |
| 2833 | 15 | |
| 64 | 2169 | 15 |
Планетарные мотор-редуктор МПО2М-15:
Мотор-редуктор МПО2М-15 - это устройство, состоящее из электродвигателя и планетарного редуктора. Для питания которого применяется переменный ток, частота его является 50 герц. Данный мотор-редуктор способен функционировать при постоянной или изменяющейся нагрузке, в равной мере как по величине, так и по направлению. Выходной вал способен совершать обороты в двух направлениях. При его применении следует ликвидировать влияние поперечных сил на выходной вал редуктора.
Окружающие условия не должны быть агрессивными и содержать непроводящую пыль, количество которой не должно быть выше 10 мг/м³. Работа разрешается при относительной влажности воздуха до 80% при температуре 20°C. Рабочая температура лежит в пределах от -40°C до + 40°C.
Особенности мотор-редукторов МПО от компании «GlobalProm»:
- Работа в круглосуточном или повторно-кратковременном режиме.
- Сравнительно небольшие размеры.
- Высокий коэффициент полезного действия.
- Высокое качество и надежность работы.
- Использование на высоте больше 1 км над уровнем моря, при следовании условиям ГОСТ 183-74.
Область использования:
Мотор-редуктор МПО 2м используются в химической, микробиологической, медицинской и прочих, связанных с ними отраслях промышленности для химических реакторов (реактор СЭрн, эмалированный ректор, реактор с мешалкой, реактор нержавеющий), промышленных мешалок для варенья, джемов, молока, паст, шпаклевки, краски, клея, растительного масла, промышленных аппаратов с перемешивающим устройством, промышленных смесителей, промышленных стационарных миксеров, бетоносмесителей, буровых установок для нефтяных и газовых скважин, мешалок якорных и лопастных, сваекрутов, на оборудовании химических, гипсовых, сахарных заводов.
Закажите сегодня – получите через 3 дня!
Если вы заинтересовались этим товаром, свяжитесь с нами любым удобным для вас способом. Наши специалисты не только помогут выбрать вам необходимый товар, но и ответят на все интересующие вас вопросы.
| Информация о товаре | |
|---|---|
| 1000-162 | |






















