Редукторы цилиндрические ВК (ВК-475, ВК-550)
Редукторы цилиндрические ВК — это вертикальные трехступенчатые редукторы, устанавливаемые на разнообразных крановых аппаратах, где есть подъемные устройства. Позвоните нам для приобретения данного товара.
|
Наименование технических характеристик |
Типоразмер редуктора |
|
|
ВК-475 |
ВК-550 |
|
|
Передаточные числа |
20; 28; 50; 112 |
18; 31,5; 71; 125 |
|
Номинальный крутящий момент на тихоходном валу, Н.м |
1700 |
2400 |
|
Масса, кг |
215 |
279 |

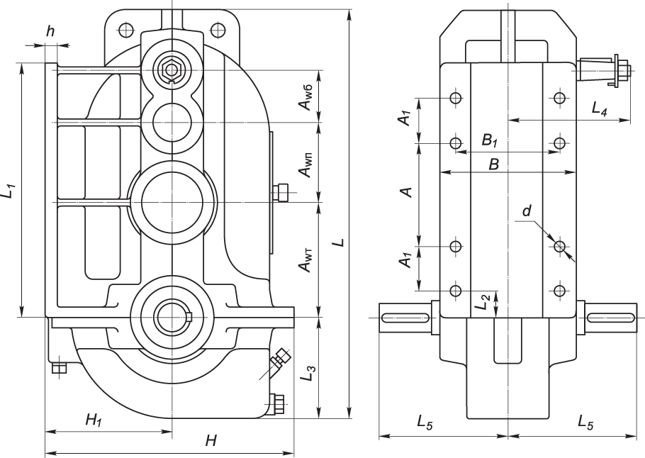
ГАБАРИТНЫЕ И ПРИСОЕДИНИТЕЛЬНЫЕ РАЗМЕРЫ РЕДУКТОРОВ ВК
|
Редуктор |
Aw т |
Aw п |
Aw б |
A |
A 1 |
B |
B 1 |
H |
H 1 |
L |
L 1 |
L 2 |
L 3 |
L 4 |
L 5 |
d |
h |
|
ВК-475 |
210 |
160 |
105 |
200 |
80 |
250 |
215 |
458 |
220 |
790 |
482 |
50 |
200 |
243 |
260 |
17 |
25 |
|
ВК-550 |
220 |
190 |
140 |
320 |
70 |
280 |
245 |
488 |
235 |
880 |
557 |
50 |
215 |
258 |
280 |
17 |
25 |

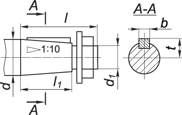
ПРИСОЕДИНИТЕЛЬНЫЕ РАЗМЕРЫ БЫСТРОХОДНЫХ ВАЛОВ РЕДУКТОРОВ ВК
|
Редуктор |
быстроходный вал (конический) |
|||||
|
d |
d 1 |
l |
l 1 |
b |
t |
|
|
ВК-475 |
40 |
М24х2,0 |
110 |
82 |
10 |
20,9 |
|
ВК-550 |
40 |
М24х2,0 |
110 |
82 |
10 |
20,9 |

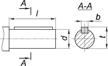
ПРИСОЕДИНИТЕЛЬНЫЕ РАЗМЕРЫ ТИХОХОДНЫХ ВАЛОВ РЕДУКТОРОВ ВК
|
Редуктор |
тихоходный вал (цилиндрический) |
|||
|
d 2 |
l 2 |
b 1 |
t 1 |
|
|
ВК-475 |
65 |
110 |
18 |
69 |
|
ВК-550 |
80 |
110 |
22 |
85 |
ВАРИАНТЫ СБОРКИ РЕДУКТОРОВ

Цилиндрические редукторы типа ВК представляют собой конструкцию, предназначенную для передачи крутящего момента различным механизмам. Изготовление таких редукторов осуществляется на специальных заводах по одобренной ГОСТом технологии. На нашем сайте представлено две модификации агрегата – ВК-475, ВК-550.
Конструкция цилиндрического редуктор ВК
Редуктор представляет собой устройство, оборудованное трехступенчатой зубной передачей, посредством работы которой осуществляется передача необходимого крутящего момента. Также в конструкцию агрегата входят:
- Валы. Элементы находятся в одной вертикальной плоскости;
- Корпус и крышки. Они обеспечивают защиту агрегата. Стоит отметить, что элементы выполнены из достаточно прочных материалов;
- Комплектующие детали и элементы, способствующие организации бесперебойной работы редуктора.
Общая конструкция редуктора представляет собой надежный агрегат, способный справиться с большими нагрузками и передать достаточный для работы механизма момент.
Применение редукторов ВК
Встретить редукторы можно в различных приводах механизмов, которые используются в основном для подъема или передвижения какой-либо тяжелой техники. Также редукторы встречаются в автомобильной промышленности и применяются для организации работы строительной техники.
Основной задачей редуктора является, как уже было отмечено, передача момента определенному механизму. В свою очередь, момент передается за счет регулярного изменения количества оборотов техники.
Если, например, рассматривать работу грузоподъемного крана, то техника приходит в движение благодаря тому, что двигатель передает определенное количество оборотов устройству, отвечающему за выполнение техникой тех или иных действий. Таким образом, за счет переданного момента груз поднимается и транспортируется с помощью крана по площадке.
Условия работы редуктора
Очень важно для продолжительной работы редуктора обеспечивать следующие условия:
- Редуктор должен работать постоянно или с периодическими перерывами.
- В процессе работы должна быть обеспечена возможность поворота валов агрегата в любую сторону.
- Нагрузка должна прикладываться в одном направлении и быть реверсивной.
- Устройство рекомендуется эксплуатировать только в неагрессивной среде.
- Температура воздуха, в которой редуктор может работать без каких-либо поломок, должна лежать в пределах от -40 до +50 градусов Цельсия.
Таким образом, соблюдение этих условий позволит продлить срок службы агрегата, а также снизить риск возникновения различных поломок.
Вы можете приобрести редукторы типа ВК-475, ВК-550 на нашем сайте, оформив покупку в режиме онлайн. Вам необходимо будет оставить заявку на приобретение товара и дождаться звонка от нашего менеджера. Он уточнит указанные вами данные, обсудит возможности доставки и завершит оформление заказа.
При возникновении каких-либо вопросов вы можете задать их нашим консультантам. Связаться с нами можно посредством телефонного звонка или электронного письма. Необходимые контактные данные указаны внизу страницы.
| Информация о товаре | |
|---|---|
| 1000-221 | |























