Редукторы цилиндрические ВКУ (ВКУ-500М, ВКУ-610М, ВКУ-765М и ВКУ-965М)
Редуктор цилиндрический ВКУ разработан для уменьшения количества оборотов в минуту и увеличения крутящего момента. Используется он в грузоподъемных устройствах. Купить его можно на нашем сайте.

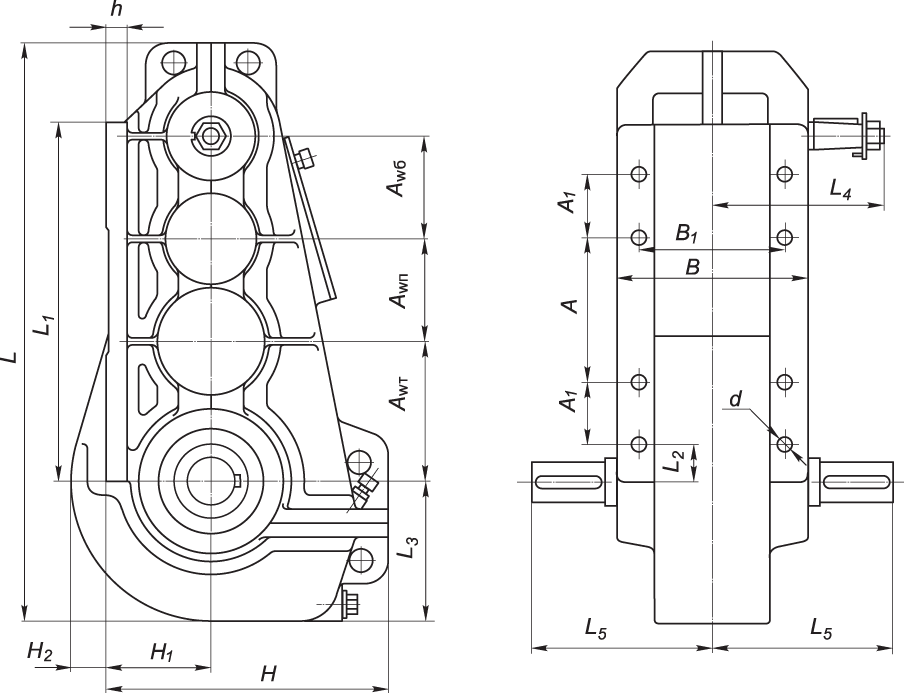
ГАБАРИТНЫЕ И ПРИСОЕДИНИТЕЛЬНЫЕ РАЗМЕРЫ РЕДУКТОРОВ ВКУ
|
Редуктор |
Aw т |
Aw п |
Aw б |
A |
A 1 |
B |
B 1 |
H |
H 1 |
H 2 |
L |
L 1 |
L 2 |
L 3 |
L 4 |
L 5 |
d |
h |
|
ВКУ-500М |
200 |
160 |
140 |
240 |
70 |
360 |
320 |
475 |
160 |
40 |
840 |
505 |
85 |
200 |
305 |
310 |
17 |
30 |
|
ВКУ-610М |
250 |
200 |
160 |
375 |
70 |
350 |
305 |
585 |
250 |
- |
1000 |
605 |
50 |
240 |
325 |
355 |
17 |
35 |
|
ВКУ-765М |
315 |
250 |
200 |
440 |
110 |
445 |
385 |
675 |
290 |
- |
1220 |
745 |
45 |
284 |
370 |
440 |
26 |
40 |
|
ВКУ-965М |
400 |
315 |
250 |
570 |
120 |
620 |
540 |
930 |
320 |
75 |
1565 |
960 |
75 |
385 |
450 |
495 |
33 |
45 |

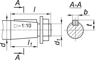
ПРИСОЕДИНИТЕЛЬНЫЕ РАЗМЕРЫ БЫСТРОХОДНЫХ ВАЛОВ РЕДУКТОРОВ ВКУ
|
Редуктор |
быстроходный вал (конический) |
|||||
|
d |
d 1 |
l |
l 1 |
b |
t |
|
|
ВКУ-500М |
40 |
М24х2,0 |
110 |
82 |
10 |
20,95 |
|
ВКУ-610М |
40 |
М24х2,0 |
110 |
82 |
10 |
20,95 |
|
ВКУ-765М |
50 |
М36х3,0 |
110 |
82 |
12 |
25,95 |
|
ВКУ-965М |
65 |
М42х3,0 |
140 |
105 |
16 |
33,9 |

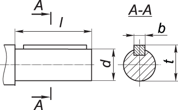
ПРИСОЕДИНИТЕЛЬНЫЕ РАЗМЕРЫ ТИХОХОДНЫХ ВАЛОВ РЕДУКТОРОВ ВКУ
|
Редуктор |
тихоходный вал (цилиндрический) |
|||
|
d 2 |
l 2 |
b 1 |
t 1 |
|
|
ВКУ-500М |
65 |
105 |
18 |
69 |
|
ВКУ-610М |
80 |
130 |
22 |
85 |
|
ВКУ-765М |
125 |
165 |
32 |
136 |
|
ВКУ-965М |
125(140) |
165(200) |
32(36) |
136(152) |
ВАРИАНТЫ СБОРКИ РЕДУКТОРОВ

|
Наименование технических характеристик |
Типоразмер редуктора |
|||
|
ВКУ-500М |
ВКУ-610М |
ВКУ-765М |
ВКУ-965М |
|
|
Передаточные числа |
14; 16; 18; 20; 22,4; 25; 28; 31,5; 35,5; 40; 45; 50; 56; 63; 71; 80; 90; 100; 112; 125; 140 |
|||
|
Номинальный крутящий момент на тихоходном валу, Н.м (ПВ=40%) |
3320 |
6000 |
12200 |
19750 |
|
Масса, кг |
330 |
450 |
820 |
1530 |
Основным предназначением цилиндрических трехступенчатых вертикальных крановых редукторов ВКУ, типа ВКУ-500М, ВКУ-610М, ВКУ-765М и ВКУ-965М является уменьшение частоты оборотов входного вала и увеличение крутящего момента. Данный редуктор чаще всего устанавливается вместе с электродвигателем грузоподъемного крана в приводах механизмов передвижения. Также цилиндрический редуктор ВКУ пользуется большим спросом на строительных площадках, речных портах, приводах грузоподъемных устройств и других механизмов машиностроительной и в других промышленных объектах.
Особенности работы цилиндрического редуктора ВКУ
Для корректной работы устройства, скорость вращения валов не должна превышать 1000 об/мин. Передаточное число зависит от типа цилиндрического редуктора ВКУ и составляет от 14 до 140 единиц. Также от типоразмера зависит и крутящий момент выходного вала, показания которого могут варьироваться от 3320 до 19759 Нм. Особенности конструкции цилиндрических редукторов ВКУ позволяют эксплуатировать их в атмосфере I или II типов, при этом содержание пылевидных частиц в воздухе не должно превышать 10 мг на кубический метр
Преимущества цилиндрического редуктора ВКУ
- эксплуатация практически в любых температурных условиях, от -40 до +50С.
- высокая точность передачи крутящего момента.
- срок эксплуатации от 15 лет при должном обслуживании.
- вал вращается в обе стороны.
- коэффициент полезного действия (КПД) достигает 98%.
- простота при работе, а также монтаже оборудования.
Техническое обслуживание (ТО) редукторов ВКУ-500М, ВКУ-610М, ВКУ-765М и ВКУ-965М довольно простое, достаточно следовать следующим правилам: очищать корпус редуктора от грязи, регулярно проверять уровень смазочного материала, а также состояние подшипников и следить за затяжкой всех соединительных деталей.
Подобрать и купить онлайн цилиндрические редуктора ВКУ-500М, ВКУ-610М, ВКУ-765М и ВКУ-965М по доступной цене предлагает компания «GlobalProm». Все типы редукторов ВКУ исполнены из высококачественных материалов, а перед продажей проходят проверку, поэтому вы можете быть уверены, что купили качественный товар за разумную цену. При выборе редуктора вам достаточно позвонить по указанным на сайте телефонам. Наши менеджеры проконсультируют вас по всем нюансам и техническим характеристикам, а также условиям поставки или дальнейшего обслуживания.
| Информация о товаре | |
|---|---|
| 1000-222 | |

















