Редуктор цилиндрический крановый типа В (В-100, В-125, В-160, В-200, В-250)
Редуктор типа В (трехступенчатый, крановый, вертикальный) необходим для привода в движение в вертикальном или наклонном положении любого устройства. Купите редуктор В по супер цене прямо у нас!
-
Гарантия:18 мес.
-
Доставка:1-2 раб. дня
-
Оплата:По 20% предоплате
|
Тип редуктора |
Передаточное отношение |
Частота вращения входного вала, мин-1 |
Номинальный крутящий момент на выходном валу, Н•м |
|
В-100, В-100Ф |
10; 12,5; 16; 20; 25; 31,5; 40 |
1000 |
172 ... 563 |
|
В-125, В-125Ф |
10; 12,5; 16; 20; 25; 31,5; 40; 50 |
344 ... 1250 |
|
|
В-160, В-160Ф |
668 ... 2500 |
||
|
В-200, В-200Ф |
10; 12,5; 16; 20; 25; 31,5; 40; 50; 63; 80; 100 |
1375 ... 5000 |
|
|
В-250, В-250Ф |
2750 ... 10000 |
||
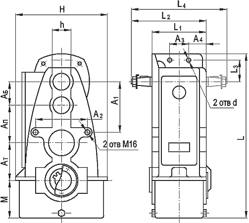
Габаритные и присоединительные размеры вертикальных крановых редукторов В

|
Тип редуктора |
Размер, мм |
|||||||||||||||
|
АБ |
АП |
АT |
A1 |
A2 |
A3 |
A4 |
H |
h |
L |
L1 |
L2 |
L3 |
L4 |
M |
d |
|
|
В-100 |
80 |
100 |
100 |
170 |
135 |
60 |
55 |
254 |
40 |
470 |
170 |
235 |
71 |
300 |
100 |
11 |
|
В-125 |
80 |
125 |
125 |
185 |
180 |
80 |
60 |
316 |
60 |
545 |
200 |
263 |
71,5 |
320 |
125 |
14 |
|
В-160 |
100 |
160 |
160 |
215 |
220 |
80 |
75 |
390 |
80 |
692 |
230 |
295 |
92 |
360 |
160 |
18 |
|
Тип редуктора |
Размер, мм |
|||||||||||||
|
АБ |
АП |
АT |
A1 |
A2 |
B |
Н |
h |
L |
L1 |
L2 |
L3 |
M |
d |
|
|
В-200 |
125 |
160 |
200 |
100 |
67 |
277 |
450 |
70 |
825 |
210 |
420 |
130 |
190 |
22 |
|
В-250 |
160 |
200 |
250 |
120 |
79 |
322 |
552 |
80 |
1015 |
240 |
480 |
137,5 |
240 |
22 |
Пример условного обозначения: Редуктор В-200Ф-16-26-У2, где В - тип редуктора.
200 - межосевое расстояние выходной ступени, мм.
Ф - с фланцем для двигателя.
16 - номинальное передаточное отношение.
26 - вариант сборки.
У2 - климатическое исполнение и категория размещения по ГОСТ 15150-69.
Крановый вертикальный редуктор типа B трехступенчатый (В-100, В-125, В-160, В-200, В-250)
Редуктор типа В предназначен для привода в действие различных машин, которым нужен большой крутящий момент вращения и выгодные угловые скорости. Крутящий момент варьируется в зависимости от типа и составляет от 172 до 10000 Н*м, стандартный диапазон передаточных отношений от 10 до 100, а общая частота вращения составляет 1000 об/мин.
Редутор крановый имеет особую трехступенчатую зубчатую передачу, которая в отличии от одноступенчатой и двухступенчатой состоит из нескольких пар специальных косозубых колес, валы у которых размещаются в одной плоскости. Установлены такие валы на особые подшипники качения, которые сокрыты в чугунном корпусе. Иногда такие редукторы изготавливаются прямо с концом выходного вала.
Работать редуктор В может как в стабильных высоких условиях нагрузки, так и в переменных. Стандартная частота циклов в одну единицу времени при постоянном режиме работы не должна быть более двух в час.
Особенности редуктора В от компании «GlobalProm»:
- Неприхотливость в эксплуатации.
- Вращение валов в любые две из сторон.
- Возможность работы до 24 ч/сутки.
- Относительно небольшие габариты.
- Высокий КПД.
- Длительный срок службы.
Область применения
Редуктор В используется в приводах передвижения грузоподъемных механизмов (кранов) и другой техники.
Ищите редуктор с большим показателем оборотов на выходе? Редуктор типа В – отличное решение!
Приобрести редуктор типа В вы можете следующим способом:
- заполнив и отправив форму обратного звонка;
- позвонив по телефонам или написав нам электронную почту, указанным в “Контактах”;
- обратившись к онлайн-консультанту на сайте.
Теги: Редуктор, Редукторы, Редуктора, рм, рцд, цтнд, ц2у, рк, ц2, рвц, цилиндрические, редуктор цилиндрический, цилиндрический редуктор, цилиндрические мотор редукторы, редуктор ц2у, редуктор цилиндрический трехступенчатый, редуктор цилиндрический одноступенчатый, одноступенчатый цилиндрический редуктор, редуктор цилиндрический двухступенчатый, двухступенчатый цилиндрический редуктор, редукторы цилиндрические двухступенчатые, соосно цилиндрический редуктор
| Информация о товаре | |
|---|---|
| 1000-228 | |
























