Редукторы цилиндрические ЦТНД (ЦТНД-315, ЦТНД-400, ЦТНД-500, ЦТНД-630)
Редукторы цилиндрические ЦТНД — это трехступенчатые редукторы, устанавливаемые в горизонтальном положении. В них реализовано зацепление Новикова. Для покупки данного товара свяжитесь с нами.
Редукторы цилиндрические трехступенчатые специальные
Тип ЦТНД
|
Наименование технических характеристик |
Типоразмер редуктора |
||
|
ЦТНД-315 |
ЦТНД-400 |
ЦТНД-500 |
|
|
Передаточные числа |
63, 80, 100, 125, 160 |
||
|
Допускаемая радиальная консольная нагрузка на тихоходном валу, Н |
24000 |
32600 |
42200 |
|
Номинальный крутящий момент на тихоходном валу, Н.м |
8300 |
17000 |
28500 |
|
КПД |
0,96 |
||
|
Масса, кг |
485 |
911 |
1448 |

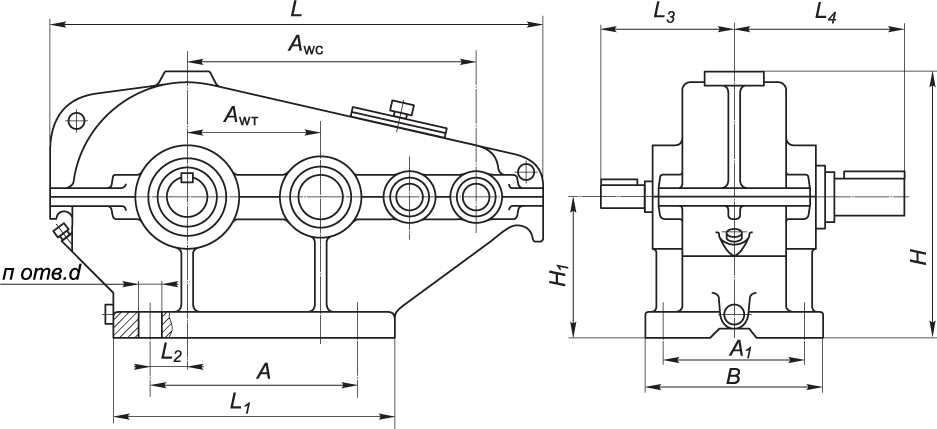
ГАБАРИТНЫЕ И ПРИСОЕДИНИТЕЛЬНЫЕ РАЗМЕРЫ РЕДУКТОРОВ ЦТНД
|
Редуктор |
Aw т |
A |
A 1 |
B |
H |
H 1 |
L |
L 1 |
L 2 |
L 3 |
L 4 |
d |
п |
|
ЦТНД-315 |
315 |
560 |
280 |
350 |
640 |
335 |
1110 |
680 |
130 |
243 |
365 |
26 |
6 |
|
ЦТНД-400 |
400 |
720 |
340 |
430 |
820 |
425 |
1385 |
860 |
170 |
307 |
455 |
33 |
8 |
|
ЦТНД-500 |
500 |
915 |
400 |
490 |
985 |
500 |
1720 |
1080 |
215 |
340 |
517 |
33 |
8 |
| ЦТНД-630 | 630 | 1500 | 600 | 690 | 1235 | 630 | 2130 | 1500 | 190 | 462 | 680 | 39 | 10 |

ПРИСОЕДИНИТЕЛЬНЫЕ РАЗМЕРЫ ЦИЛИНДРИЧЕСКИХ ВАЛОВ РЕДУКТОРОВ ЦТНД
|
быстроходный вал |
||||
|
Редуктор |
d |
l |
b |
t |
|
ЦТНД-315 |
32 |
58 |
10 |
35 |
|
ЦТНД-400 |
40 |
82 |
12 |
43 |
|
ЦТНД-500 |
50 |
82 |
14 |
53,5 |
| ЦТНД-630 | 65 | 105 | 18 | 69 |
|
тихоходный вал |
||||
|
Редуктор |
d |
l |
b |
t |
|
ЦТНД-315 |
110 |
165 |
28 |
116 |
|
ЦТНД-400 |
140 |
200 |
36 |
148 |
|
ЦТНД-500 |
160 |
240 |
40 |
169 |
| ЦТНД-630 | 170 | 240 | 40 | 179 |
ВАРИАНТЫ СБОРКИ РЕДУКТОРОВ

Цилиндрические редукторы ЦТНД (ЦТНД-315, ЦТНД-400, ЦТНД-500, ЦТНД-630)
Цилиндрический редуктор ЦТНД представляет собой трехступенчатый горизонтальный редуктор. Особенность конструктива такого редуктора - использование зацепления Новикова, как альтернатива эвольвентному зацеплению. Это позволяет увеличить нагрузочную способность по напряжению изгиба и контактным напряжениям; увеличить передаточное число редуктора до 160; уменьшается шум, возникающий при работе. Оптимальная скорость вращения ведущего вала составляет 1500, а минимальная 750 об/мин. Предназначен для работы в не агрессивной рабочей среде с запыленностью воздуха меньше 10 мг/м³.
Особенности редукторов ЦТНД от компании «GlobalProm»:
- Может работать круглосуточно.
- Устанавливается в закрытых помещениях и помещениях, где регулируется климат, а также вне зданий под навесом.
- Благодаря повышенной износостойкости срок его работы неограничен.
- Крутящий момент передается с высокой точностью.
- Валы могут вращаться в обоих направлениях.
- КПД достигает 98%.
- Однонаправленная или реверсивная работа.
Область применения
Широко используется в угольной и горнодобывающей промышленности. В том числе для приводов конвейеров, питателей, элеваторов и других машин с аналогичными условиями работы.
Закажите редуктор ЦТНД по цене от производителя!
Для получения полной информации по выбранному товару или консультации со специалистами обратитесь к нам любым удобным для вас способом: позвоните нам по телефону, указанному на сайте, или заполните форму обратной связи (форма доступна в разделе «Контакты» или при нажатии на кнопку «Купить» справа от фото товара).
Теги: Редуктор, Редукторы, Редуктора, рм, рцд, цтнд, ц2у, рк, ц2, рвц, цилиндрические, редуктор цилиндрический, цилиндрический редуктор, цилиндрические мотор редукторы, редуктор ц2у, редуктор цилиндрический трехступенчатый, редуктор цилиндрический одноступенчатый, одноступенчатый цилиндрический редуктор, редуктор цилиндрический двухступенчатый, двухступенчатый цилиндрический редуктор, редукторы цилиндрические двухступенчатые, соосно цилиндрический редуктор
| Информация о товаре | |
|---|---|
| 1000-232 | |


















