Редукторы КЦ1 ( редуктор КЦ1-200, КЦ1-250, КЦ1-300, КЦ1-400, КЦ1-500)
Редукторы КЦ1 – это двухступенчатые коническо-цилидрические редукторы горизонтального исполнения. Чтобы купить данный товар позвоните или напишите нам!
-
Гарантия:18 мес.
-
Доставка:1-2 раб. дня
-
Оплата:По 20% предоплате
|
Наименование технических характеристик |
Типоразмер редуктора |
||||
|
КЦ1-200 |
КЦ1-250 |
КЦ1-300 |
КЦ1-400 |
КЦ1-500 |
|
|
Передаточные числа |
6,3; 10; 14; 20; 28 |
||||
|
Допускаемая консольная нагрузка на тихоходном валу, Н |
5100 |
7000 |
12000 |
18000 |
25000 |
|
Номинальный крутящий момент на выходном валу, Н.м |
520 |
1200 |
2100 |
5300 |
9000 |
|
КПД |
0,94 |
||||
|
Масса, кг |
186 |
391 |
474 |
980 |
1740 |

ГАБАРИТНЫЕ И ПРИСОЕДИНИТЕЛЬНЫЕ РАЗМЕРЫ РЕДУКТОРОВ КЦ1
|
Редуктор |
Aw т |
A |
A 1 |
B |
H |
H 1 |
h |
h 1 |
L |
L 1 |
L 2 |
L 3 |
L 4 |
d |
п |
|
КЦ1-200 |
200 |
375 |
250 |
300 |
435 |
225 |
20 |
- |
900 |
480 |
85 |
460 |
247 |
17 |
4 |
|
КЦ1-250 |
250 |
480 |
325 |
375 |
515 |
265 |
25 |
- |
1170 |
600 |
120 |
625 |
320 |
22 |
4 |
|
КЦ1-300 |
300 |
545 |
350 |
450 |
607 |
315 |
25 |
- |
1275 |
680 |
120 |
625 |
385 |
22 |
6 |
|
КЦ1-400 |
400 |
810 |
450 |
526 |
705 |
320 |
35 |
95 |
1705 |
930 |
212 |
848 |
452 |
26 |
8 |
|
КЦ1-500 |
500 |
990 |
550 |
630 |
877 |
400 |
40 |
100 |
2085 |
1160 |
250 |
1030 |
544 |
33 |
8 |

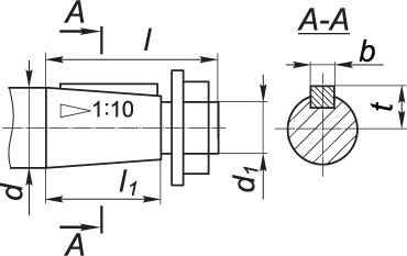
ПРИСОЕДИНИТЕЛЬНЫЕ РАЗМЕРЫ БЫСТРОХОДНЫХ ВАЛОВ РЕДУКТОРОВ КЦ1
|
Редуктор |
быстроходный вал (конический) |
|||||
|
d |
d 1 |
l |
l 1 |
b |
t |
|
|
КЦ1-200 |
40 |
М24х2,0 |
110 |
82 |
10 |
20,9 |
|
КЦ1-250 |
50 |
М36х3,0 |
110 |
82 |
12 |
26 |
|
КЦ1-300 |
50 |
М36х3,0 |
110 |
82 |
12 |
26 |
|
КЦ1-400 |
60 |
М42х3,0 |
140 |
105 |
16 |
31,4 |
|
КЦ1-500 |
90 |
М64х4,0 |
170 |
130 |
22 |
46,8 |

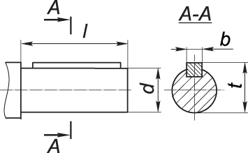
ПРИСОЕДИНИТЕЛЬНЫЕ РАЗМЕРЫ ТИХОХОДНЫХ ВАЛОВ РЕДУКТОРОВ КЦ1
|
Редуктор |
тихоходный вал (цилиндрический) |
|||
|
d 2 |
l 2 |
b 1 |
t 1 |
|
|
КЦ1-200 |
45 |
80 |
14 |
48,5 |
|
КЦ1-250 |
55 |
110 |
16 |
59 |
|
КЦ1-300 |
70 |
140 |
20 |
74,5 |
|
КЦ1-400 |
90 |
170 |
25 |
95 |
|
КЦ1-500 |
110 |
210 |
28 |
116 |

ПРИСОЕДИНИТЕЛЬНЫЕ РАЗМЕРЫ ТИХОХОДНОГО ВАЛА В ВИДЕ ЗУБЧАТОЙ ПОЛУМУФТЫ
|
Редуктор |
b |
d |
d 1 |
L |
l |
l 1 |
Зацепление |
|
|
m |
z |
|||||||
|
КЦ1-200 |
20 |
126 |
80 |
219 |
14 |
45 |
3 |
40 |
|
КЦ1-250 |
25 |
150 |
90 |
267 |
14 |
48 |
3 |
48 |
|
КЦ1-300 |
25 |
174 |
110 |
325 |
14 |
55 |
3 |
56 |
|
КЦ1-400 |
35 |
232 |
140 |
370 |
14 |
60 |
4 |
56 |
|
КЦ1-500 |
35 |
232 |
140 |
422 |
14 |
60 |
4 |
56 |
Двухступенчатые редукторы КЦ1, серии КЦ1-200, КЦ1-250, КЦ1-300, КЦ1-400, КЦ1-500 прекрасно подходят для использования в строительстве для ремонта или эксплуатации подъемно-транспортного оборудования. Также данный вид редукторов позволяет увеличить крутящий момент и уменьшить частоту вращения различных механизмов. Цилиндрические редукторы КЦ1 относятся к двухступенчатым редукторам горизонтального исполнения. Такие механизмы состоят из пары конических колес, которые имеют спиральные зубья, а также одной пары цилиндрических колес, оснащенными косыми зубьями. Первая пара конических колес – это быстроходная ступень, а вторая – тихоходная. Такая конструкция обеспечивает цилиндрическому редуктору КЦ1 высокую нагрузочную способность, а также снижает шумовые характеристики и увеличивает время эксплуатации привода. Корпус редуктора выполнен из высококачественного чугуна и состоит из двух частей. Рабочие валы смонтированы на подшипники качения и могут вращаться в двух направлениях, однако частота ведущего вала не должна превышать значение 1500 об/мин, а окружная скорость зубчатых передач не более 12 м/с. Передаточное число таких устройств лежит в пределах от 6,3 до 28 единиц.
Возможности редукторов КЦ1 от компании «GlobalProm»
- возможность эксплуатации в режиме 24/7;
- различные виды нагрузок (реверсивная, однонаправленная, переменная, постоянная);
- различные варианты исполнения: для работ в условиях в сухих, умеренных или же тропических климатических условиях;
- вращение валов в обе стороны;
- идеальное соотношение доступной цены и высокого качества;
- входной и выходной валы установлены в перпендикулярных плоскостях;
- консольная нагрузка на тихоходном валу - 12000 Н.м;
- коэффициент полезного действия (КПД) составляет 94%;
- высокое качество деталей и сборки.
В компании «GlobalProm» вы можете подобрать и купить коническо-цилиндрический двухступенчатый редуктор, типа КЦ1-200, КЦ1-250, КЦ1-300, КЦ1-400, КЦ1-500 по доступным ценам. Если вас заинтересовал данный редуктор, но у вас есть вопросы - позвоните нашим консультантам и получите более полную информации о представленном товаре. На все модели редукторов КЦ1 предоставляется официальная гарантия.
| Информация о товаре | |
|---|---|
| 1000-223 | |






















