Редукторы цилиндрические Ц3У (Ц3У-160, Ц3У-200, Ц3У-250, Ц3Н-315, Ц3Н-355)
Редукторы цилиндрические Ц3У относятся к трехступенчатым редукторам, устанавливаемым в горизонтальном положении. Закажите редуктор в один клик!
Качественный подшипники и идеальный валы редуктора
Стальной корпус с дополнительной защитой от износа
Официальный производитель
Гарантия 12 месяцев
Паспорт и соответствие ТУ
Цена:
** Цены действуют только на территории Украины


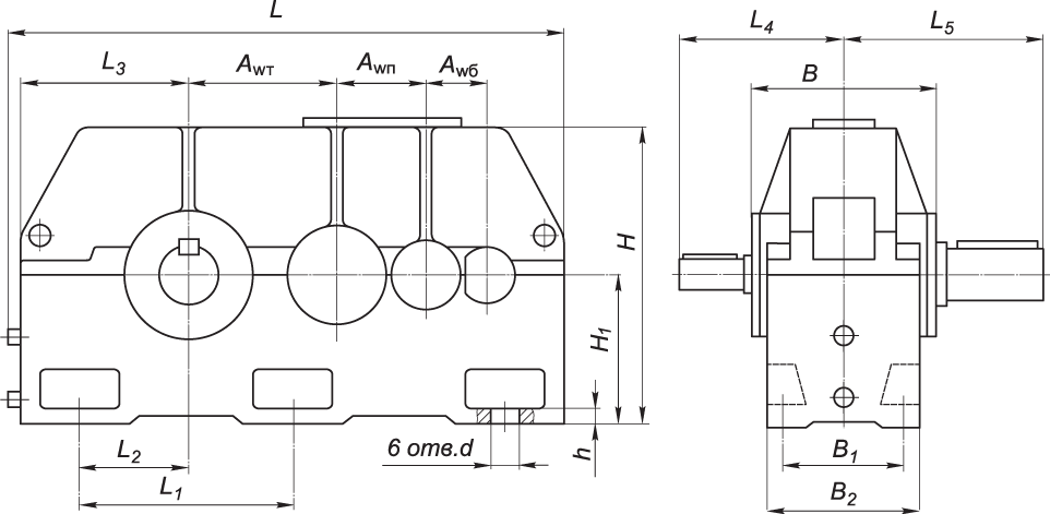
ГАБАРИТНЫЕ И ПРИСОЕДИНИТЕЛЬНЫЕ РАЗМЕРЫ РЕДУКТОРОВ 1Ц3У
|
Редуктор |
Aw т |
Aw п |
Aw б |
B |
B 1 |
H |
H 1 |
h |
L |
L 1 |
L 2 |
L 3 |
L 4 |
L 5 |
d |
|
1Ц3У-160 |
160 |
100 |
80 |
206 |
195 |
345 |
170 |
32 |
630 |
530 |
135 |
195 |
160 |
224 |
24 |
|
1Ц3У-200 |
200 |
125 |
100 |
243 |
230 |
425 |
212 |
36 |
775 |
650 |
165 |
236 |
190 |
280 |
24 |
|
1Ц3У-250 |
250 |
160 |
125 |
290 |
280 |
530 |
265 |
36 |
950 |
825 |
212 |
290 |
236 |
335 |
28 |
| 1Ц3У-315Н | 315 | 200 | 125 | 318 | 260 | 685 | 335 | 35 | 1135 | 215 | 360 | 270 | 420 | 28 | |
| 1Ц3У-355Н | 355 | 225 | 140 | 360 | 280 | 740 | 375 | 35 | 1260 | 250 | 400 | 290 | 440 |

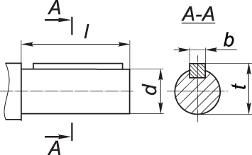
ПРИСОЕДИНИТЕЛЬНЫЕ РАЗМЕРЫ КОНИЧЕСКИХ ВАЛОВ РЕДУКТОРОВ 1Ц3У
|
Редуктор |
быстроходный вал |
тихоходный вал |
||||||||||
|
d |
d 1 |
l |
l 1 |
b |
t |
d |
d 1 |
l |
l 1 |
b |
t |
|
|
1Ц3У-160 |
20 |
М12х1,25 |
50 |
36 |
4 |
10,6 |
55 |
М36х3,0 |
110 |
82 |
14 |
28,95 |
|
1Ц3У-200 |
25 |
М16х1,5 |
60 |
42 |
5 |
13,45 |
70 |
М48х3,0 |
140 |
105 |
18 |
36,38 |
|
1Ц3У-250 |
30 |
М20х1,5 |
80 |
58 |
5 |
15,55 |
90 |
М64х4,0 |
170 |
130 |
22 |
46,75 |

ПРИСОЕДИНИТЕЛЬНЫЕ РАЗМЕРЫ ЦИЛИНДРИЧЕСКИХ ВАЛОВ РЕДУКТОРОВ 1Ц3У
|
Редуктор |
быстроходный вал |
тихоходный вал |
||||||
|
d |
l |
b |
t |
d |
l |
b |
t |
|
|
1Ц3У-160 |
18k6 |
36 |
6 |
20,5 |
50m6 |
105 |
14 |
53,5 |
|
1Ц3У-200 |
22k6 |
42 |
6 |
24,5 |
65m6 |
105 |
18 |
69 |
|
1Ц3У-250 |
25k6 |
58 |
8 |
28 |
85m6 |
170 |
22 |
90 |
| 1Ц3У-315 | 30k6 | 80 | 8 | 33 | 110m6 | 210 | 28 | 116 |
| 1Ц3У-355 | 35k6 | 80 | 10 | 38 | 125m6 | 210 | 32 | 132 |

ПРИСОЕДИНИТЕЛЬНЫЕ РАЗМЕРЫ ТИХОХОДНОГО ВАЛА В ВИДЕ ЗУБЧАТОЙ ПОЛУМУФТЫ
|
Редуктор |
b |
d |
d 1 |
d 2 |
d 3 |
L |
l |
l 1 |
Зацепление |
|
|
m |
z |
|||||||||
|
1Ц3У-160 |
20 |
168 |
90 |
72F8 |
95 |
170 |
9 |
38 |
4 |
40 |
|
1Ц3У-200 |
25 |
210 |
100 |
80F8 |
105 |
197 |
10 |
50 |
5 |
40 |
|
1Ц3У-250 |
30 |
232 |
150 |
120F8 |
170 |
236 |
10 |
60 | 6 | 40 |
| 1Ц3У-355 | 35 | 294 | 130 | 110F8 | 140 | 310 | 12,5 | 65 | 7 | 40 |

ВАРИАНТЫ СБОРКИ РЕДУКТОРОВ

ПРИМЕР УСЛОВНОГО ОБОЗНАЧЕНИЯ РЕДУКТОРА ПРИ ЗАКАЗЕ:
1Ц3У-250-80-12-У3, ТУУ 29.1-24587406.003-2003
где: 1Ц3У - тип редуктора;
250 - межосевое расстояние тихоходной ступени, мм;
80 - номинальное передаточное число;
12 - вариант сборки;
У3 - климатическое исполнение и категория размещения.

ГАБАРИТНЫЕ И ПРИСОЕДИНИТЕЛЬНЫЕ РАЗМЕРЫ РЕДУКТОРОВ 1Ц3У, 1Ц3Н
|
Редуктор |
Aw т |
Aw п |
Aw б |
B |
B 1 |
B 2 |
H |
H 1 |
h |
L |
L 1 |
L 2 |
L 3 |
L 4 |
L 5 |
d |
|
1Ц3У-315 |
315 |
200 |
125 |
395 |
260 |
318 |
685 |
335 |
35 |
1135 |
415 |
215 |
360 |
270 |
420 |
28 |
|
1Ц3У-355 |
355 |
225 |
140 |
435 |
280 |
360 |
740 |
375 |
35 |
1260 |
475 |
250 |
400 |
290 |
440 |
28 |
|
1Ц3У-400 |
400 |
250 |
160 |
475 |
330 |
420 |
835 |
425 |
42 |
1415 |
535 |
280 |
450 |
340 |
500 |
35 |
|
1Ц3Н-450 |
450 |
280 |
200 |
630 |
515 |
590 |
955 |
475 |
50 |
1580 |
570 |
310 |
500 |
430 |
650 |
35 |
|
1Ц3Н-500 |
500 |
315 |
225 |
700 |
580 |
650 |
1055 |
530 |
60 |
1780 |
670 |
360 |
565 |
460 |
690 |
42 |

ПРИСОЕДИНИТЕЛЬНЫЕ РАЗМЕРЫ ЦИЛИНДРИЧЕСКИХ ВАЛОВ РЕДУКТОРОВ 1Ц3У, 1Ц3Н
|
Редуктор |
быстроходный вал |
тихоходный вал |
||||||
|
d |
l |
b |
t |
d |
l |
b |
t |
|
|
1Ц3У-315 |
30k6 |
80 |
8 |
33 |
110m6 |
210 |
28 |
116 |
|
1Ц3У-355 |
35k6 |
80 |
10 |
38 |
125m6 |
210 |
32 |
132 |
|
1Ц3У-400 |
40k6 |
110 |
12 |
43 |
140m6 |
250 |
36 |
148 |
|
1Ц3Н-450 |
50k6 |
110 |
14 |
53,5 |
160m6 |
300 |
40 |
169 |
|
1Ц3Н-500 |
55m6 |
110 |
16 |
59 |
180m6 |
300 |
45 |
190 |

ПРИСОЕДИНИТЕЛЬНЫЕ РАЗМЕРЫ ТИХОХОДНОГО ВАЛА В ВИДЕ ЗУБЧАТОЙ ПОЛУМУФТЫ
|
Редуктор |
b |
d |
d 1 |
d 2 |
d 3 |
L |
l |
l 1 |
Зацепление |
|
|
m |
z |
|||||||||
|
1Ц3У-315 |
30 |
252 |
130 |
110F8 |
140 |
275 |
10 |
60 |
6 |
40 |
|
1Ц3У-355 |
35 |
294 |
130 |
110F8 |
140 |
310 |
12,5 |
65 |
7 |
40 |
|
1Ц3У-400 |
40 |
336 |
180 |
150F8 |
215 |
335 |
15 |
65 |
8 |
40 |
|
1Ц3Н-450 |
50 |
420 |
200 |
160F8 |
230 |
440 |
15 |
70 |
10 |
40 |
|
1Ц3Н-500 |
50 |
420 |
200 |
160F8 |
230 |
470 |
15 |
70 |
10 |
40 |

ПРИСОЕДИНИТЕЛЬНЫЕ РАЗМЕРЫ ТИХОХОДНОГО ВАЛА ДЛЯ ПРИСОЕДИНЕНИЯ ПРИБОРОВ УПРАВЛЕНИЯ
|
Редуктор |
b |
d |
d 1 |
d 2 |
d 3 |
L |
|
1Ц3У-315 |
5 |
110h9 |
75h9 |
55 |
М8х20 |
200 |
|
1Ц3У-355 |
5 |
125h9 |
75h9 |
55 |
М8х20 |
235 |
|
1Ц3У-400 |
5 |
140h9 |
75h9 |
55 |
М8х20 |
240 |
|
1Ц3Н-450 |
5 |
180h9 |
75h9 |
55 |
М8х20 |
340 |
|
1Ц3Н-500 |
5 |
190h9 |
75h9 |
55 |
М8х20 |
360 |
ВАРИАНТЫ СБОРКИ РЕДУКТОРОВ

Цилиндрические редукторы Ц3У (или просто Ц3У) – это трехступенчатые изделия (имеют три цилиндрические пары) горизонтального исполнения, которое возможно использовать совместно с другим строительным оборудованием.
Существуют несколько видов редукторов: Ц3У-160, Ц3У-200, Ц3У-250, Ц3Н-315, Ц3Н-355, а также двенадцать схем сборок (начиная с 11 и заканчивая 36). Редукторы имеют ограниченную скорость вращения вала, которая лимитируется 1500 об/мин. Передаточное число для редукторов серии Ц3У варьируется от 16 до 200 единиц.
Редукторы Ц3У могут эксплуатироваться в одном из режимов работы:
- постоянная нагрузка (редуктор Ц3У регулярно эксплуатируется);
- реверсивная нагрузка
- переменная или нерегулярная нагрузка
- однонаправленная нагрузка (эксплуатация оборудования 24/7 либо в работе с одинаковыми перерывами)
Особенности редукторов Ц3У от компании «GlobalProm»
- компактность - благодаря небольшим размерам, редуктор можно использоваться в условиях ограниченного пространства;
- длительный срок эксплуатации;
- удобство и простота в обслуживании;
- высокая точность передачи крутящего момента;
- уровень КПД (коэффициент полезного действия) может достигать 98%;
- оборудование работает практически при любых погодных условиях;
- гарантия на все модели редукторов Ц3У;
- доступные цены и наличие товара на складе.
Область использования
Область применения цилиндрических редукторов Ц3У-160, Ц3У-200, Ц3У-250, Ц3Н-315, Ц3Н-355 довольно обширна. Чаще всего данные приборы используются в той области промышленности, где нужно изменять крутящий момент и скорость вращения: начиная от сельскохозяйственной техники и различных средств связи, и заканчивая нефтеперерабатывающей сфере и машиностроении.
В компании «GlobalProm» вы можете быстро и недорого купить цилиндрический редуктор типа Ц3У-160, Ц3У-200, Ц3У-250, Ц3Н-315, Ц3Н-355 по доступной цене. Достаточно связаться с нами любым удобным для вас способом или оставить свои контактные данные в форме обратной связи. Мы свяжемся с вами в течение 15 минут и ответим на все интересующие вас вопросы! Доставка редуктора осуществляется в любой город Украины. На все промышленное оборудование дается гарантия от производителя. Приятных вам покупок!
Теги: Редуктор, Редукторы, Редуктора, рм, рцд, цтнд, ц2у, рк, ц2, рвц, цилиндрические, редуктор цилиндрический, цилиндрический редуктор, цилиндрические мотор редукторы, редуктор ц2у, редуктор цилиндрический трехступенчатый, редуктор цилиндрический одноступенчатый, одноступенчатый цилиндрический редуктор, редуктор цилиндрический двухступенчатый, двухступенчатый цилиндрический редуктор, редукторы цилиндрические двухступенчатые, соосно цилиндрический редуктор
| Информация о товаре | |
|---|---|
| 1000-217 | |

























