Редукторы цилиндрические ЦДН (ЦДН-630, ЦДН-710)
Редукторы цилиндрические ЦДН — это двухступенчатые горизонтальные редукторы с передачами Новикова. Производятся для приводов разнообразных машин и механизмов. Позвоните нам для получения полной информации.
Редукторы цилиндрические двухступенчатые специальные
Тип ЦДН
|
Наименование технических характеристик |
Типоразмер редуктора |
|
|
ЦДН-630 |
ЦДН-710 |
|
|
Передаточные числа |
8; 9; 10; 11,2; 12,5; 14; 16; 18; 20; 22,4; 25; 28; 31,5; 35,5; 40; 45; 50 |
|
|
Допускаемая радиальная консольная нагрузка на тихоходном валу, Н |
67000 |
80000 |
|
Номинальный крутящий момент на тихоходном валу, Н.м |
71000 |
100000 |
|
КПД |
0,96 |
|
|
Масса, кг |
3330 |
4540 |

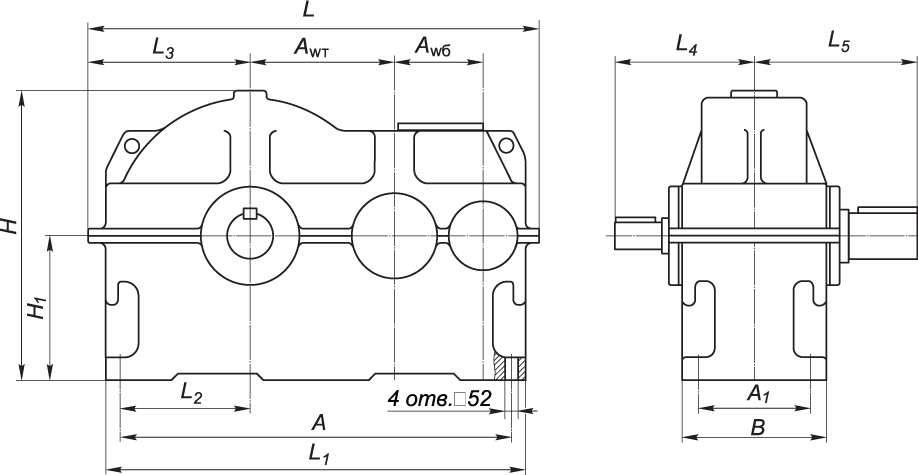
ГАБАРИТНЫЕ И ПРИСОЕДИНИТЕЛЬНЫЕ РАЗМЕРЫ РЕДУКТОРОВ ЦДН
|
Редуктор |
Aw т |
Aw б |
A |
A 1 |
B |
H |
H 1 |
L |
L 1 |
L 2 |
L 3 |
L 4 |
L 5 |
|
|
і=8...25 |
і=28...50 |
|||||||||||||
|
ЦДН-630 |
630 |
400 |
1770 |
540 |
650 |
1225 |
630 |
1935 |
1920 |
575 |
657 |
610 |
570 |
760 |
|
ЦДН-710 |
710 |
450 |
2010 |
600 |
740 |
1390 |
710 |
2175 |
2160 |
660 |
742 |
660 |
620 |
870 |

ПРИСОЕДИНИТЕЛЬНЫЕ РАЗМЕРЫ ЦИЛИНДРИЧЕСКИХ ВАЛОВ РЕДУКТОРОВ ЦДН
|
быстроходный вал |
|||||||
|
Редуктор |
d |
l |
b |
t |
|||
|
ЦДН-630 |
і=8...25 |
110 |
210 |
28 |
116 |
||
|
і=28...50 |
80 |
170 |
22 |
85 |
|||
|
ЦДН-710 |
і=8...25 |
125 |
210 |
32 |
132 |
||
|
і=28...50 |
100 |
170 |
28 |
106 |
|||
|
тихоходный вал |
|||||||
|
Редуктор |
d |
l |
b |
t |
|||
|
ЦДН-630 |
220 |
350 |
50 |
231 |
|||
|
ЦДН-710 |
250 |
410 |
56 |
262 |
|||
ВАРИАНТЫ СБОРКИ РЕДУКТОРОВ

Цилиндрические редукторы ЦДН представлены на нашем сайте двумя основными типоразмерами – ЦДН-630, ЦДН-710. Оба агрегата используются для передачи крутящего момента определенным механизмом, большая часть которых входит в состав грузоподъемного оборудования.
Помимо основного использования данный вид редукторов применяется в:
- Ленточных конвейерах, осуществляющих работу с сыпучими и крупнокусковыми грузами;
- Приводах других машин.
Условия эксплуатации ЦДН
Во время использования редуктора рекомендуется обеспечить выполнение следующих условий:
- Температура воздуха не должна опускаться ниже отметки в -40 градусов Цельсия и выше отметки в +50 градусов Цельсия.
- Нагрузка на агрегат должна распределяться равномерно и быть направлена в одну сторону. В редких случаях разрешено прикладывать неравномерную нагрузку, если она не превышает допустимых пределов.
- Продолжительность работы редуктора должна составлять от 8 до 24 часов. Работа может осуществляться как бесперебойно, так и с регулярными перерывами.
Также сюда можно добавить, что среда, в которой эксплуатируется редуктор, не должна быть агрессивной, а все показатели – соответствовать стандартным.
Конструкция цилиндрических редукторов ЦДН
Цилиндрический вал представляет собой особую конструкцию, включающую в себя такие элементы, как:
- Распределительный вал. Стоит отметить, что их в редукторе может быть несколько, и именно эти устройства отвечают за передачу крутящего момента на определенный механизм;
- Крышки и корпус, обеспечивающий защиту агрегата от повреждений. Стоит отметить, что и корпус, и крышки выполняются из достаточно прочных материалов;
- Дополнительные комплектующие детали, способствующие нормальной работе редуктора в процессе его эксплуатации.
Благодаря столь надежной конструкции удается добиться бесперебойной эксплуатации агрегата и его продолжительному сроку службы.
Преимущества цилиндрических редукторов ЦДН
Среди достоинств данного вида редукторов можно отметить:
- Простоту в использовании. Справиться с агрегатом сможет практически каждый работник промышленного предприятия или строительного объекта, обладающий хотя бы начальными знаниями о том, как устроен редуктор;
- Надежность и долговечность. Об этом уже было оговорено ранее;
- Соответствие государственным стандартам. Это подтверждает специальная техническая документация, а также сертификат качества;
- Наличие гарантийного срока.
Дополнительно к плюсам можно отнести небольшую стоимость столь качественного агрегата.
Вы можете заказать цилиндрический на нашем сайте, оформив заявку на покупку в режиме онлайн. После того, как она будет отправлена, с вами свяжется наш менеджер для уточнения введенных вами данных, а также обсуждения способа доставки и завершения оформления покупки.
По любым вопросам вы можете обратиться к консультантам нашего магазина с помощью телефонного звонка или письма на электронную почту. Все контактные данные находятся внизу страницы, а также в соответствующем разделе сайта. Желаем приятных покупок.
Теги: Редуктор, Редукторы, Редуктора, рм, рцд, цтнд, ц2у, рк, ц2, рвц, цилиндрические, редуктор цилиндрический, цилиндрический редуктор, цилиндрические мотор редукторы, редуктор ц2у, редуктор цилиндрический трехступенчатый, редуктор цилиндрический одноступенчатый, одноступенчатый цилиндрический редуктор, редуктор цилиндрический двухступенчатый, двухступенчатый цилиндрический редуктор, редукторы цилиндрические двухступенчатые, соосно цилиндрический редуктор
| Информация о товаре | |
|---|---|
| 1000-226 | |























