Тельфер электрический Т10 - 10 тонн
Электрический тельфер (таль, электроталь) серии Т10 грузоподъемностью 10 тонн относится к канатным электроталям болгарского производства. Используется в подъемно-транспортных работах. Звоните нам для ее покупки или консультации.

|
Высота подъема Н, м |
Масса нетто*, кг |
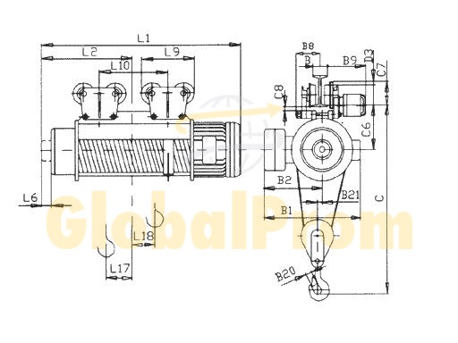
Габаритные размеры, мм |
||||||||||||||||||
|
B14 |
B2 |
B5 |
B6 |
B8 |
B9 |
C |
C6 |
C7 |
C8 |
D1 |
D4 |
L1 |
L2 |
L4 |
L5 |
L6 |
L9 |
L10 |
||
|
6 |
926 |
965 |
680 |
71 |
35 |
140 |
300 |
1450 |
573 |
230 |
15 |
16 |
210 |
1100 |
485 |
63 |
38 |
100 |
563 |
625 |
|
9 |
997 |
1310 |
590 |
58 |
97 |
835 |
||||||||||||||
|
12 |
1055 |
1520 |
695 |
86 |
95 |
1045 |
||||||||||||||

Тельфер Т10 с грузоподъемностью 10 тонн
Тельфер серии Т10 - канатная электроталь, которая используется для поднятия и опускания грузов. Также используется для горизонтального перемещения поднятых грузов вдоль монорельсового пути. Режим ее работы 2М.
Температура рабочей среды при нормальном климатическом исполнении от -25 до +40 °С.
Стандартная скорость подъема 8 метров в минуту. Стандартная скорость передвижения 20 метров в минуту.
Номинальная мощность подъемного двигателя составляет 8 кВт, а двигателя передвижения 0,37 кВт.
Ширина двутавра, по котором движется тележка, должна лежать в пределах от 90 до 300 миллиметров.
Дополнительно может быть комплектована ограничителем грузоподъемности, вторым тормозом подъемного механизма и радиоуправлением.
Особенности тельферов серии Т10 от компании «GlobalProm»:
1. Сравнительно небольшая цена.
2. Регулируется ширина ездовой тележки.
3. Эксплуатация возможна как в помещениях, так и на открытом воздухе, под навесом.
Область применения
Используется на множестве производств, во всех отраслях промышленности, где есть необходимость поднимать грузы и транспортировать их вдоль монорельсового пути.
Закажите сегодня!
Если у вас возникли дополнительные вопросы или вы сомневаетесь в том, какой конкретно грузоподъемный механизм вам подойдет, обратитесь к нам любым удобным для вас способом. Для осуществления заказа товара достаточно нажать на кнопку «Купить» и ввести свои контакты во всплывающей форме.
Теги: тельфер, болгарский тельфер, тельфер электрический, тельфер болгария, электро тельфер, электротельфер, тэ
| Информация о товаре | |
|---|---|
| 1000-314 | |








































