Черв'ячний редуктор 2Ч-80
-
Гарантия:18 мес.
-
Доставка:1-2 раб. дня
-
Оплата:По 20% предоплате

ГАБАРИТНЫЕ И ПРИСОЕДИНИТЕЛЬНЫЕ РАЗМЕРЫ РЕДУКТОРОВ 2Ч-40 - 2Ч-80
Редуктор | Aw | A | B | B 1 | B 2 | B 3 | H | H 1 | H 2 | L | L 1 | L 2 | L 3 | L 4 | d |
2Ч-40 | 40 | 105 | 120 | 100 | 140 | 164 | 180 | 72 | 37 | 160 | 100 | 150 | 180 | 100 | 13 |
2Ч-63 | 63 | 150 | 145 | 125 | 165 | 197 | 232 | 82 | 40 | 200 | 135 | 180 | 220 | 120 | 13 |
2Ч-80 | 80 | 180 | 165 | 140 | 185 | 212 | 267 | 92 | 42 | 238 | 160 | 225 | 260 | 145 | 15 |

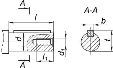
ПРИСОЕДИНИТЕЛЬНЫЕ РАЗМЕРЫ БЫСТРОХОДНОГО ВАЛА РЕДУКТОРОВ 2Ч-40 - 2Ч-80
Редуктор | d | d 1 | l | l 1 | b | t |
2Ч-40 | 16 | М5 | 28 | 15 | 3 | 8,5 |
2Ч-63 | 22 | М8 | 36 | 20 | 4 | 11,6 |
2Ч-80 | 25 | М8 | 42 | 20 | 5 | 13,45 |

ПРИСОЕДИНИТЕЛЬНЫЕ РАЗМЕРЫ ТИХОХОДНОГО ВАЛА РЕДУКТОРОВ 2Ч-40 - 2Ч-80
Редуктор | d | d 1 | l | l 1 | b | t |
2Ч-40 | 18к6 | М5 | 40 | 15 | 6 | 20,5 |
2Ч-63 | 28к6 | М8 | 60 | 20 | 8 | 31 |
2Ч-80 | 35к6 | М8 | 80 | 20 | 10 | 38 |

ПРИСОЕДИНИТЕЛЬНЫЕ РАЗМЕРЫ ПОЛЫХ ВАЛОВ РЕДУКТОРОВ 2Ч-40 - Ч-160 (2 ВАРИАНТА)
Редуктор | d | d 1 | l | l 1 | b | t | D х m х H8 |
2Ч-40 | 23 | 18 | 112 | 72 | 6 | 20,8 | 22 х 1,5 х H8 |
2Ч-63 | 33 | 28 | 108 | 68 | 8 | 31,1 | 32 х 1,5 х H8 |
2Ч-80 | 41 | 35 | 116 | 66 | 10 | 38,3 | 40 х 1,5 х H8 |
ВАРИАНТЫ СБОРКИ РЕДУКТОРОВ 2Ч (вид сверху, червяк под колесом)

ВАРИАНТ РАСПОЛОЖЕНИЯ ЧЕРВЯЧНОЙ ПАРЫ В РЕДУКТОРАХ 2Ч (вид сбоку)


Редуктор 2Ч-80
Черв'ячний редуктор - промисловий редуктор з черв'ячною передачею, в роботу редуктор вступає завдяки зачепленню черв'яка з черв'ячним колесом. Черв'як в конструкції редуктора - це гвинт з нарізаною різьбою, а колесо черв'яка - колесо косозубого типу з особливим профілем зубів. Обертаючись витки різьблення змінюють своє становище і таким чином штовхають в такий же спрямованості черв'ячне колесо із зубами.
Технічні характеристики черв'ячного редуктора 2Ч-80
Залежно від розташування валу існує кілька варіантів збірки редуктора: 51 збірка, 52 збірка, 53 збірка, 56 збірка. Крім цього існує 5 варіантів розташування черв'ячної пари. (Рис. 1)

Рис. 1. Варіанти збірки і розташування черв'ячної пари редуктора 2Ч-80
Область використання черв'ячного редуктора 2Ч-80
Найчастіше такий тип редукторів використовується на конвеєрних стрічках, генераторних приводах, компресорах та інших видів транспортерів.
Замовляти черв'ячні редуктори краще в офіційного виробника, таким чином Ви захищаєте себе від не якісного товару, який прослужить Вам менше заявленого терміну.
Ми є сертифікованими виробниками даного типу редуктор, редуктори виготовляються відповідно до власного ТУ і на кожен редуктор надаємо гарантія 12 місяців.
Щоб купити редуктор 2Ч-80 від виробника телефонуйте за одним із вказаних номерів або залишайте заявку на сайті.
| Інформація щодо товару | |
|---|---|
| 1000-887 | |
