Мотор-редуктор NMRV-030
Опис
Черв'ячні мотор-редуктори NMRV широко застосовуються в промисловості завдяки своїй універсальності. Замовте ціну виробника вже зараз!
Є у наявності
Виготовлення відповідно до власного ТУ
Постачання редуктора у зборі з двигуном або тільки редукторної частини з посадковими розмірами валів на індивідуальне замовлення
Гарантія 12 місяців, наявність паспорта, подальше післягарантійне обслуговування
Ціна:
1 755 грн
* Ціна може змінюватися у залежності від обраних параметрів** Ціни діють тільки на території України
КУПИТИ В ОДИН КЛІК
Кількість
-
+
Доставка:
-
Гарантия:18 мес.
-
Доставка:1-2 раб. дня
-
Оплата:По 20% предоплате



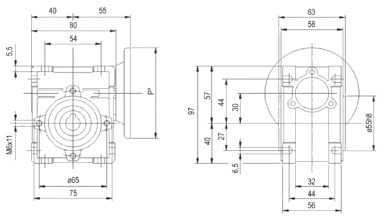
Установчі розміри під електродвигун
Розміри вхідного фланці



Мотор-редуктор NMRV-030 - це привід загального призначення, який використовується для зміни крутного моменту і частоти обертання. Дане обладнання має досить високі тех. характеристики та відносно невисоку ціну.
Сфера застосування мотор-редуктора NMRV
Черв'ячний мотор-редуктор передбачений для експлуатації до 24 год/добу, може використовуватися безперервно і в повторно-нетривалому режимі, тим самим заслуживши широку сферу застосування. Черв'ячний мотор-редуктор експлуатується як привід для транспортера, конвеєра, елеватора, верстата, дробарки, мішалки, підіймача і для подібного обладнання. У мотор-редуктора є можливість працювати не тільки у звичайному середовищі, а й у вибухонебезпечному.Технічні характеристики NMRV-030
- Мотор редуктор нмрв може розвивати обертальний момент до 24 Нм.
- Передавальне число варіюється від 5 до 80.
- Потужність електродвигуна становить 0,18 кВт.
- Маса такого пристрою всього 8 кг.
Переваги мотор-редуктора NMRV
- компактний пристрій;
- невеликі габарити;
- досить високий ККД;
- майже безшумна робота;
- стійкий до великих навантажень і частих пусків;
- ремонтопридатність;
- високий термін служби.
Є можливість комплектації двигунами АИММ, АІУ й АВВ. Купити мотор-редуктор нмрв можна в один клік на нашому сайті! Для цього потрібно натиснути відповідну кнопку і заповнити форму. Для консультації Ви можете зателефонувати за номером телефону (вони вказані вгорі сайту).
| Інформація щодо товару | |
|---|---|
| 1000-875 | |























