Мотор-редуктор NMRV-130
Опис
Черв'ячні мотор-редуктори NMRV широко застосовуються в промисловості завдяки своїй універсальності. Замовте ціну виробника вже зараз!
Є у наявності
Виготовлення відповідно до власного ТУ
Постачання редуктора у зборі з двигуном або тільки редукторної частини з посадковими розмірами валів на індивідуальне замовлення
Гарантія 12 місяців, наявність паспорта, подальше післягарантійне обслуговування
Ціна:
15 307 грн
* Ціна може змінюватися у залежності від обраних параметрів** Ціни діють тільки на території України
КУПИТИ В ОДИН КЛІК
Кількість
-
+
Доставка:
-
Гарантия:18 мес.
-
Доставка:1-2 раб. дня
-
Оплата:По 20% предоплате



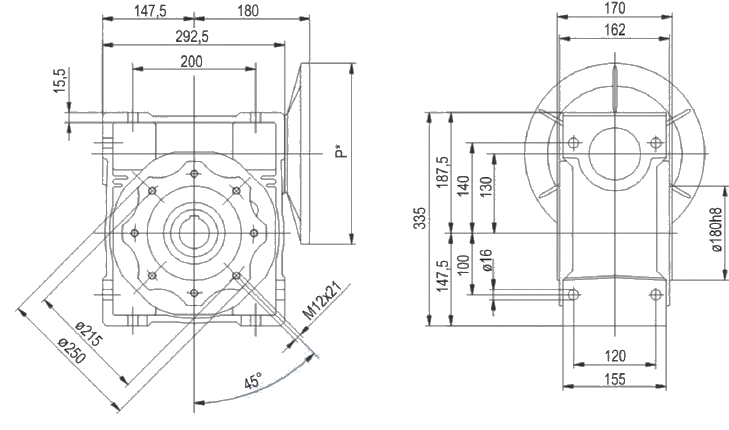
Установчі розміри під електродвигун
Розміри вхідного фланцю



Мотор-редуктор NMRV-130 - це привід загального призначення, який використовується для зміни обертального моменту і частоти обертання. Таке промислове обладнання має високі тех. характеристики та відносно невисоку ціну.
Сфера застосування мотор-редуктора NMRV
Черв'ячний мотор-редуктор може працювати до 24 год/добу, безперервно і в повторно-нетривалому режимі, чим завоював досить широку область застосування. Наприклад, черв'ячний мотор-редуктор nmrv може використовуватися в якості приводу для транспортера, конвеєра, елеватора, верстата, дробарки, мішалки, підіймача і для подібного обладнання. Також, можлива робота у вибухонебезпечному середовищі, що розширює його область застосування.Технічні характеристики NMRV-130
- Мотор редуктор нмрв може розвивати обертальний момент до 1080 Нм.
- Частота обертання вихідного валу може бути до 190.
- Потужність електродвигуна становить 11 кВт.
- Важить пристрій всього 146 кг.
Переваги мотор-редуктора
- компактні габарити;
- досить високий ККД;
- не сильно шумить при роботі;
- стійкість до навантажень і частих пусків;
- ремонтопридатність;
- високий термін служби.
Є можливість комплектації двигунами АИММ, АІУ і АВВ.
Купити мотор-редуктор нмрв за вигідною ціною і швидким доставленням на нашому сайті можна декількома способами:
- залишити заявку;
- подзвонити за телефоном, який вказаний у верхній частині сторінки;
- написати на електронну пошту, яка також вказана на сторінці.
Якщо у Вас виникли будь-які питання - чекаємо Вашого дзвінка або повідомлення в онлайн чат.
| Інформація щодо товару | |
|---|---|
| 1000-882 | |

















