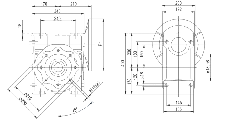
Мотор-редуктор NMRV-150
Опис
Черв'ячні мотор-редуктори NMRV широко застосовуються в промисловості завдяки своїй універсальності. Замовте ціну виробника вже зараз!
Є у наявності
Виготовлення відповідно до власного ТУ
Постачання редуктора у зборі з двигуном або тільки редукторної частини з посадковими розмірами валів на індивідуальне замовлення
Гарантія 12 місяців, наявність паспорта, подальше післягарантійне обслуговування
Ціна:
24 135 грн
* Ціна може змінюватися у залежності від обраних параметрів** Ціни діють тільки на території України
КУПИТИ В ОДИН КЛІК
Кількість
-
+
Доставка:
-
Гарантия:18 мес.
-
Доставка:1-2 раб. дня
-
Оплата:По 20% предоплате






Мотор-редуктор NMRV-150 - являє собою привід загального призначення. Його використовують для того, щоб змінити обертальний момент і частоту обертання. Таке промислове обладнання має високі тех. характеристики та відносно невисоку ціну.
Сфера застосування мотор-редуктора NMRV
Черв'ячний мотор-редуктор має можливість працювати до 24 год/добу, при цьому в безперервно і в повторно-нетривалому режимі. Цим пристрій завоювало широку сферу застосування. Наприклад, черв'ячний мотор-редуктор nmrv може використовуватися в якості приводу для транспортера, конвеєра, елеватора, верстата, дробарки, мішалки, підіймача і для подібного обладнання. Також, можлива робота у вибухонебезпечному середовищі, що розширює його область застосування.
Технічні характеристики NMRV-150
- Мотор редуктор нмрв може розвивати обертальний момент до 1658 Нм.
- Частота обертання вихідного валу може бути до 190.
- Потужність електродвигуна становить 18,5 кВт.
- Вага даного пристрою всього 27 кг.
Переваги мотор-редуктора
- компактність габаритів;
- досить високий ККД;
- не сильно шумить при роботі;
- стійкість до навантажень і частих пусків;
- ремонтопридатність;
- високий термін служби.
Є можливість комплектації двигунами АИММ, АІУ й АВВ.
Ви можете придбати мотор-редуктор нмрв на нашому сайті в один клік! Як це зробити? Потрібно просто натиснути відповідну кнопку і заповнити форму. У разі, якщо Вам потрібна допомога в підборі обладнання - телефонуйте за номером телефону, який вказаний на нашому сайті.
| Інформація щодо товару | |
|---|---|
| 1000-883 | |



















