Мотор-редуктор планетарний МР1-315
Мотор-редуктор планетарний типу МР - це система, в структуру якої входить електричний двигун та планетарний редуктор. Використовується у фармокологічній, харчовій та хімічній промисловості. Замовте сьогодні!

ГАБАРИТНЫЕ И ПРИСОЕДИНИТЕЛЬНЫЕ РАЗМЕРЫ МОТОР-РЕДУКТОРОВ МР
|
Обозначение мотор-редуктора |
А |
А 1 |
B |
B 1 |
D |
D 1 |
D 2 |
H |
H 1 |
|
МР1-315 |
- |
- |
- |
- |
350 |
400 |
450 |
- |
- |
|
МР2-315 |
250 |
480 |
292 |
524 |
450 |
500 |
550 |
585 |
250 |
|
МР3-315 |
250 |
480 |
292 |
524 |
450 |
500 |
550 |
585 |
250 |
|
МР1-500 |
- |
- |
- |
- |
450 |
500 |
550 |
- |
- |
|
МР2-500 |
330 |
640 |
465 |
740 |
720 |
780 |
840 |
825 |
400 |
|
МР3-500 |
330 |
640 |
465 |
740 |
720 |
780 |
840 |
825 |
400 |
|
Обозначение мотор-редуктора |
H 2 |
L |
L 1 |
L 2 |
L 3 |
L 4 |
L 5 |
d |
d 1 |
|
МР1-315 |
- |
572 |
200 |
10 |
20 |
- |
675 |
22 |
- |
|
МР2-315 |
35 |
781 |
300 |
18 |
30 |
21 |
675 |
26 |
26 |
|
МР3-315 |
35 |
781 |
300 |
18 |
30 |
21 |
675 |
26 |
26 |
|
МР1-500 |
- |
800 |
300 |
18 |
30 |
- |
765 |
26 |
- |
|
МР2-500 |
70 |
1045 |
355 |
28 |
40 |
40 |
765 |
26 |
39 |
|
МР3-500 |
70 |
1275 |
355 |
28 |
40 |
40 |
675 |
26 |
39 |

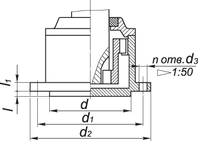
ПРИСОЕДИНИТЕЛЬНЫЕ РАЗМЕРЫ ЦИЛИНДРИЧЕСКИХ ВАЛОВ МОТОР-РЕДУКТОРОВ МР
|
Обозначение мотор-редуктора |
d |
d 1 |
d 2 |
l |
l 1 |
l 2 |
b |
t |
|
МР1-315 |
по индивидуальному заказу |
|||||||
|
МР2-315 |
90 |
80 |
88 |
170 |
10 |
8 |
25 |
99 |
|
МР3-315 |
90 |
80 |
88 |
170 |
10 |
8 |
25 |
99 |
|
МР1-500 |
по индивидуальному заказу |
|||||||
|
МР2-500 |
125 |
110 |
123 |
210 |
12 |
10 |
32 |
136 |
|
МР3-500 |
125 |
110 |
123 |
210 |
12 |
10 |
32 |
136 |

ПРИСОЕДИНИТЕЛЬНЫЕ РАЗМЕРЫ ВАЛОВ В ВИДЕ ПОЛУМУФТЫ
|
Обозначение мотор-редуктора |
d |
d 1 |
d 2 |
d 3 |
l |
l 1 |
n |
|
МР1-315 |
100 |
150 |
180 |
16 |
4 |
20 |
4 |
|
МР2-315 |
115 |
224 |
260 |
20 |
4 |
22 |
6 |
|
МР3-315 |
115 |
224 |
260 |
20 |
4 |
22 |
6 |
|
МР1-500 |
150 |
224 |
260 |
20 |
4 |
22 |
6 |
|
МР2-500 |
по индивидуальному заказу |
||||||
|
МР3-500 |
по индивидуальному заказу |
||||||
| МОТОР-РЕДУКТОР МР1-315 | ||
| Частота вращения выходного вала n, об/мин | Номинальный крутящий момент на выходном валу Мкр, Н.м | Мощность электродвигателя P, кВт |
| 100 | 1018 | 11 |
| 1712 | 18,5 | |
| 125 | 1110 | 15 |
| 1629 | 22 | |
| 160 | 867 | 15 |
| 1070 | 18,5 | |
| 1735 | 30 | |
| 200 | 856 | 18,5 |
| 1712 | 37 | |
| 250 | 685 | 18,5 |
| 1110 | 30 | |
| 1666 | 45 | |
| 315 | 543 | 18,5 |
| 881 | 30 | |
| 1322 | 45 | |
| МОТОР-РЕДУКТОР МР2-315 | ||
| Частота вращения выходного вала n, об/мин | Номинальный крутящий момент на выходном валу Мкр, Н.м | Мощность электродвигателя P, кВт |
| 25 | 4071 | 11 |
| 6847 | 18,5 | |
| 32 | 4337 | 15 |
| 6361 | 22 | |
| 40 | 3470 | 15 |
| 4280 | 18,5 | |
| 6940 | 30 | |
| 50 | 3424 | 18,5 |
| 6847 | 37 | |
| 64 | 2675 | 18,5 |
| 4337 | 30 | |
| 6506 | 45 | |
| 80 | 2140 | 18,5 |
| 3470 | 30 | |
| 5205 | 45 | |
| МОТОР-РЕДУКТОР МР3-315 | ||
| Частота вращения выходного вала n, об/мин | Номинальный крутящий момент на выходном валу Мкр, Н.м | Мощность электродвигателя P, кВт |
| 6,3 | 4313 | 3 |
| 7908 | 5,5 | |
| 8 | 4529 | 4 |
| 8492 | 7,5 | |
| 10 | 3623 | 4 |
| 4982 | 5,5 | |
| 6794 | 7,5 | |
| 12,5 | 3986 | 5,5 |
| 7971 | 11 | |
| 16 | 4246 | 7,5 |
| 6228 | 11 | |
| 8492 | 15 | |
| 20 | 3397 | 7,5 |
| 4982 | 11 | |
| 6794 | 15 | |
| МОТОР-РЕДУКТОР МР1-500 | ||
| Частота вращения выходного вала n, об/мин | Номинальный крутящий момент на выходном валу Мкр, Н.м | Мощность электродвигателя P, кВт |
| 80 | 4280 | 37 |
| 5205 | 45 | |
| 100 | 3424 | 37 |
| 5089 | 55 | |
| 6940 | 75 | |
| 125 | 4071 | 55 |
| 5552 | 75 | |
| 160 | 3181 | 55 |
| 4337 | 75 | |
| 200 | 2545 | 55 |
| 4164 | 90 | |
| 250 | 2036 | 55 |
| 3331 | 90 | |
| 4071 | 110 | |
| 315 | 2644 | 90 |
| 3877 | 132 | |
| МОТОР-РЕДУКТОР МР2-500 | ||
| Частота вращения выходного вала n, об/мин | Номинальный крутящий момент на выходном валу Мкр, Н.м | Мощность электродвигателя P, кВт |
| 16 | 17349 | 30 |
| 20 | 17118 | 37 |
| 25 | 13694 | 37 |
| 32 | 8675 | 30 |
| 15904 | 55 | |
| 40 | 6940 | 30 |
| 12723 | 55 | |
| 17349 | 75 | |
| 50 | 5552 | 30 |
| 10178 | 55 | |
| 16655 | 90 | |
| 64 | 7952 | 55 |
| 13012 | 90 | |
| 15904 | 110 | |
| 80 | 10410 | 90 |
| 15267 | 132 | |
| МОТОР-РЕДУКТОР МР3-500 | ||
| Частота вращения выходного вала n, об/мин | Номинальный крутящий момент на выходном валу Мкр, Н.м | Мощность электродвигателя P, кВт |
| 5 | 19928 | 11 |
| 6,3 | 15816 | 11 |
| 26599 | 18,5 | |
| 8 | 16984 | 15 |
| 24910 | 22 | |
| 10 | 13587 | 15 |
| 16758 | 18,5 | |
| 27175 | 30 | |
| 12,5 | 13406 | 18,5 |
| 26812 | 37 | |
| 16 | 10474 | 18,5 |
| 16984 | 30 | |
| 25476 | 45 | |
| 20 | 8379 | 18,5 |
| 13587 | 30 | |
| 20381 | 45 | |
Конструкція планетарного мотор-редуктора МР1-315
Конструкція мотор-редуктора включає наступні елементи:- Редуктор і електричний двигун. Два основні елементи, завдяки одночасній роботі яких здійснюється безперебійна експлуатація агрегату, а також передача обертального моменту механізмам.
- Корпус і кришки. Виконуються з міцних матеріалів, щоб забезпечити захист важливих елементів конструкції від зовнішніх впливів.
- Додаткові деталі. Завдяки яким здійснюється ефективна робота всіх елементів конструкції.
Умови експлуатації
Під час використання планетарних редукторів необхідно врахувати наступні умови експлуатації:- Робота агрегату повинна бути тривалою, але може здійснюватися і в короткочасному режимі. Другий випадок має на увазі введення регулярних перерв.
- Навантаження, що прикладається на редуктор, повинна бути односпрямованої та реверсивної.
- Середовище, в якому експлуатується пристрій, не повинна бути агресивною, а всі показники середовища повинні відповідати нормативним.
- Температурний діапазон можливої експлуатації агрегату повинен лежати в межах від -40°C до +50°C.
Переваги мотор-редуктора МР1-315
Серед переваг мотор-редукторів планетарного типу можна відзначити:- Легкість в експлуатації;
- Довговічність і надійність;
- Наявність документації, яка підтверджує якість конструкції агрегату, а також проходження редуктором необхідних випробувань перед продажем;
- Наявність гарантійного терміну.
Комплект постачання містить:
- Мотор-редуктор;
- Технічний паспорт пристрою.
| Інформація щодо товару | |
|---|---|
| 1000-152 | |
























