Мотор-редуктор черв`ячний МЧ-40
Мотор-редуктор черв'ячний МЧ-40 - це блоковий прилад, що складається з електричного двигуна та одноступеневого черв'ячного редуктора. Для отримання більш детальної інформації телефонуйте на наш номер.
Виготовлення відповідно до власного ТУ
Постачання редуктора у зборі з двигуном або тільки редукторної частини з посадковими розмірами валів на індивідуальне замовлення
Гарантія 12 місяців, наявність паспорта, подальше післягарантійне обслуговування
Ціна:
** Ціни діють тільки на території України
-
Гарантия:18 мес.
-
Доставка:1-2 раб. дня
-
Оплата:По 20% предоплате

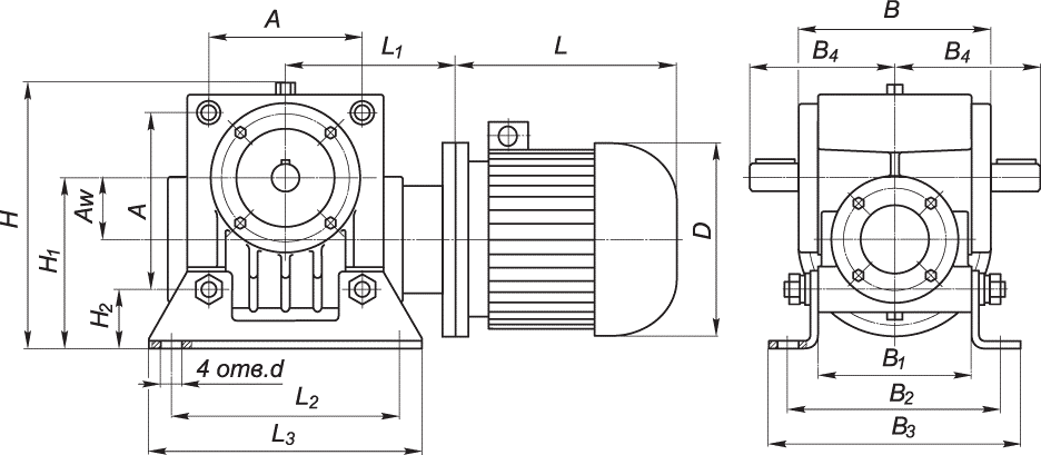
ГАБАРИТНЫЕ И ПРИСОЕДИНИТЕЛЬНЫЕ РАЗМЕРЫ МОТОР-РЕДУКТОРОВ МЧ-40 - МЧ-80
|
Мотор-редуктор |
Aw |
A |
B |
B 1 |
B 2 |
B 3 |
B 4 |
H |
H 1 |
H 2 |
L 1 |
L 2 |
L 3 |
d |
L |
D |
|
не более |
||||||||||||||||
|
МЧ-40 |
40 |
105 |
120 |
100 |
140 |
164 |
100 |
180 |
112 |
37 |
100 |
150 |
180 |
13 |
260 |
200 |
|
МЧ-63 |
63 |
150 |
145 |
125 |
165 |
197 |
120 |
232 |
145 |
40 |
135 |
180 |
220 |
13 |
350 |
250 |
|
МЧ-80 |
80 |
180 |
165 |
140 |
185 |
212 |
145 |
267 |
172 |
42 |
160 |
225 |
260 |
15 |
420 |
250 |

ПРИСОЕДИНИТЕЛЬНЫЕ РАЗМЕРЫ ЦИЛИНДРИЧЕСКИХ ВАЛОВ МОТОР-РЕДУКТОРОВ МЧ-40 - МЧ-80
|
Мотор-редуктор |
d |
d 1 |
l |
l 1 |
b |
t |
|
МЧ-40 |
18к6 |
М5 |
28 (40) |
15 |
6 |
20,5 |
|
МЧ-63 |
28к6 |
М8 |
60 (42) |
20 |
8 |
31 |
|
МЧ-80 |
35к6 |
М8 |
80 (58) |
20 |
10 |
38 |

ПРИСОЕДИНИТЕЛЬНЫЕ РАЗМЕРЫ ПОЛЫХ ВАЛОВ МОТОР-РЕДУКТОРОВ МЧ-40 - МЧ-160 (2 ВАРИАНТА)
|
Мотор-редуктор |
d |
d 1 |
l |
l 1 |
b |
t |
D х m х H8 |
|
МЧ-40 |
23 |
18 |
112 |
72 |
6 |
20,8 |
22 х 1,5 х H8 |
|
МЧ-63 |
33 |
28 |
108 |
68 |
8 |
31,1 |
32 х 1,5 х H8 |
|
МЧ-80 |
41 |
35 |
116 |
66 |
10 |
38,3 |
40 х 1,5 х H8 |
|
МЧ-100 |
46 |
35 |
205 |
90 |
10 |
38,3 |
45 х 2,0 х Н8 |
|
МЧ-125 |
60 |
40 |
230 |
110 |
12 |
43,3 |
55 х 2,5 х Н8 |
|
МЧ-160 |
72 |
60 |
275 |
130 |
18 |
64,4 |
70 х 2,5 х Н8 |
ВАРИАНТЫ СБОРКИ МОТОР-РЕДУКТОРОВ МЧ (вид сверху, червяк под колесом)

ВАРИАНТ РАСПОЛОЖЕНИЯ ЧЕРВЯЧНОЙ ПАРЫ В МОТОР-РЕДУКТОРАХ МЧ (вид сбоку)

|
Наименование параметров |
Значения |
|||||||||||
|
Межосевое расстояние, мм |
30 |
|||||||||||
|
Передаточное число редукторной части |
12,5 |
16,0 |
20,0 |
25,0 |
31,5 |
40,0 |
50,0 |
16,0 |
20,0 |
25,0 |
||
|
Номинальная частота вращения входного вала, об/мин |
224 |
180 |
140 |
112 |
45 |
35,5 |
28 |
90 |
71 |
50 |
||
|
Допускаемая радиальная консольная нагрузка, Н, приложенная к середине посадочной части конца выходного вала, Н |
800 |
|||||||||||
|
Номинальный крутящий момент на выходном валу, Нм, при ПВ, % |
40 |
7 |
10 |
9 |
7 |
14 |
12 |
10 |
14 |
10 |
9 |
|
|
100 |
8,5 |
11,2 |
10 |
11,2 |
11,2 |
|||||||
|
КПД, %, в непрерывном режиме с ПВ= 100%, не менее |
51 |
48 |
46 |
42 |
34 |
29 |
27 |
45 |
43 |
35 |
||
|
Типоразмер двигателя серии АИР |
АИР56В2 |
АИР56А2 |
АИР56А4 |
АИР50В4 |
АИР56В4 |
АИР50В4 |
||||||
|
Мощность двигателя, кВт |
0,25 |
0,18 |
0,12 |
0,09 |
0,18 |
0,09 |
||||||
|
Синхронная частота вращения вала, об/ми |
2730 |
1350 |
1335 |
1350 |
1335 |
|||||||
|
Корректированный уровень звуковой мощности, дБА, не более |
82 |
|||||||||||
|
Масса редуктора, кг, не более |
6,0 |
5,0 |
6,0 |
5,0 |
||||||||
ТЕХНИЧЕСКИЕ ХАРАКТЕРИСТИКИ МОТОР-РЕДУКТОРОВ МЧ-40, МЧ-63, МЧ-80:
|
Номинальная частота вращения выходного вала, об/мин |
МЧ-40 |
МЧ-63 |
МЧ-80 |
|||
|
Номинальный крутящий момент на выходном валу, Н.м |
Мощность эл/дв, кВт |
Номинальный крутящий момент на выходном валу, Н.м |
Мощность эл/дв, кВт |
Номинальный крутящий момент на выходном валу, Н.м |
Мощность эл/дв, кВт |
|
|
9 |
20 |
0,25 |
90 |
0,25 |
180 |
0,25 |
|
12,5 |
28 |
0,25 |
90 |
0,18 |
180 |
0,37 |
|
16 |
28 |
0,18 |
100 |
0,25 |
210 |
0,55 |
|
18 |
32 |
0,18 |
100 |
0,37 |
190 |
0,55 |
|
22,4 |
28 |
0,18 |
100 |
0,37 |
210 |
0,75 |
|
28 |
32 |
0,18 |
120 |
0,55 |
240 |
1,1 |
|
35,5 |
30 |
0,18 |
110 |
0,55 |
220 |
1,1 |
|
45 |
35 |
0,25 |
120 |
0,75 |
240 |
1,5 |
|
56 |
30 |
0,25 |
100 |
0,75 |
200 |
1,5 |
|
71 |
28 |
0,37 |
100 |
1,1 |
180 |
1,5 |
|
90 |
32 |
0,37 |
110 |
1,5 |
210 |
2,2 |
|
112 |
28 |
0,55 |
100 |
1,5 |
200 |
3,0 |
|
140 |
32 |
0,55 |
100 |
1,5 |
190 |
3,0 |
|
180 |
32 |
0,75 |
110 |
2,2 |
200 |
4,0 |
Мотор редуктор моделі МЧ-40 застосовується для безпосередньої установки як привод в різні пристрої загальномашинобудівного типу.
Мотор редуктор черв'ячний використовується в дробарках (каналізаційних), конвеєрах, мішалках (лопатевих або вертикальних), транспортерах (пластинчастих), підіймачах (вантажних і консольних), верстатах, елеваторах, кран-балках і кінцевих балках, дроворуби, в рекламних елементах (банерах, білбордах, призматронах і скролерах).
Особливості черв'ячних мотор-редукторів МЧ-40
- Черв'ячний МЧ-40 мотор редуктор має частоту обертального моменту від 50 до 224 об/хв.
- Що поставляється електродвигун комплектується потужностями від 0,09 до 0,25 кВт.
- Обертальний момент на валу становить 28 - 35 Н*м.
- Передавальне число в межах 12,5 до 50.
- Міжосьова відстань становить 30 мм.
- Навантаження радіальна допускається в межах 800 Н.
- Номінальна синхронна частота обертального моменту 1335 - 2730 об/хв.
- Загальна маса редуктора від 5 до 6 кг.
- Температура робочого середовища не повинне бути менше позначки -40°C і більше +40°C.
- Вміст пилу при експлуатації мотор редуктора допускається не більше 10 - 10,5 мг/м3.
- Установка для роботи в агресивному або вибухонебезпечному середовищі не рекомендується.
Принцип роботи
Черв'ячний мотор редуктор МЧ-40 має два основних елементи: відомою і ведучий. Провідним виступає черв'як він же гвинт, а веденим - черв'ячне колесо.
Принцип дії полягає в щільному зачепленні колеса з зубами самого вала редуктора. Як правило, черв'яком називають гвинтоподібним елементом зі спеціальним різьбленням, у якій конструкція нагадує трапецеїдальну форму, а колесо має нахилені зуби зі своїм особливим профілем. При обертальному русі черв'яка виконується його транспортування витків уздовж заданої осі різьби, після чого зуби починають свій рух аналогічному напрямку. Осі як черв'яка, так і черв'ячного колеса між собою схрещені під стандартним кутом 90°, що своєю чергою дає можливість застосування редуктора-мотора в місцях, де відсутня можливість розташування співвісно всіх елементів агрегату без винятку.
Також МЧ-40 володіє особливою функцією самогальмування, яка актуальна в важких виробничих масштабах. Завдяки даній особливості гвинт пристрою обертає рухому шестірню, в той час, як вона не має можливості та зусилля провертати хробака.
Переваги мотор редукторів черв'ячних серії МЧ-40
- можливість експлуатації в постійному режимі 8 - 24 год. в день;
- низький рівень видаваного шуму;
- великий термін служби;
- малі габарити;
- досить високий ККД;
- надійна конструкція;
- простота в технічному обслуговуванні;
- відмінний діапазон встановлених передавальних чисел;
- зручність установки й управління апаратом.
Замовити та купити мотор редуктор МЧ-40 за найкращою ціною Ви можете прямо зараз, подзвонивши нам за вказаними телефонами, написавши нашому фахівцеві в чат-онлайн або ж залишивши свою заявку з контактною інформацією на «зворотний дзвінок». Ми моментально зв'яжемося з Вами для уточнення замовлення і відправлення товару в будь-який зручний час!
| Інформація щодо товару | |
|---|---|
| 1000-252 | |

























