Мотор-редуктори соосно-циліндричні 1МЦ2С-100
Мотор-редуктор співвісно-циліндричний 1МЦ2С-100 - це прилад, що поєднує в собі електричний двигун та двоступінчастий циліндричний редуктор.
Можливість виготовлення мотор-редуктора за спеціальним замовленням
Постачання мотор-редуктора "у зборі" (з двигуном) або окремо редукторної частини
Комплектація двигунами різних виробників: Україна, Китай, Білорусь
Виготовлення відповідно до власного ТУ
Ціна:
** Ціни діють тільки на території України

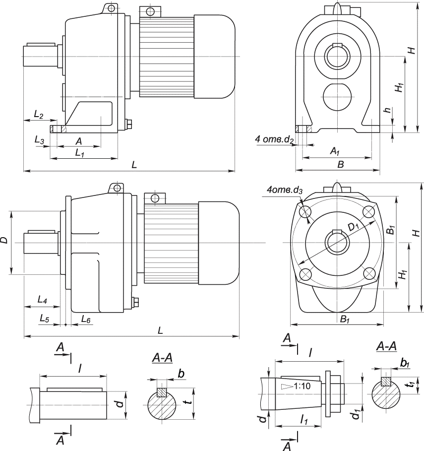
ГАБАРИТНЫЕ И ПРИСОЕДИНИТЕЛЬНЫЕ РАЗМЕРЫ МОТОР-РЕДУКТОРОВ 1МЦ2С

КОНСТРУКТИВНОЕ ИСПОЛНЕНИЕ ПО СПОСОБУ МОНТАЖА МОТОР-РЕДУКТОРОВ 1МЦ2С


Соосно-циліндричний мотор-редуктор типу 1МЦ2С-100 являє собою найбільш поширений вид подібних агрегатів, що випускаються. Ось уже котрий рік ці редуктори підтверджують свою якість і використовуються в багатьох сферах промислового виробництва й автомобілебудування.
Призначення мотор-редуктора 1МЦ2С-100
Основне призначення редуктора полягає в передачі обертального моменту механізмам, які згодом будуть організовувати нормальну працездатність того чи іншого обладнання.
Конструкція редуктора даного типу має на увазі собою наявність наступних складових:
- Розподільних валів. Саме вони здійснюють передачу крутного моменту на механізми шляхом його збільшення, а також зниження числа обертів.
- Корпуси та кришок, виконаних з досить міцних матеріалів. Ці елементи забезпечують додатковий захист агрегату від зовнішніх впливів і надмірних навантажень.
- Додаткових комплектуючих елементів, завдяки яким досягається ефективна працездатність редуктора.
Дана конструкція передбачає два способи кріплення. Перший має на увазі монтаж на спеціальних лапах, а другий - на фланці. Таким чином, в залежності від місця використання редуктора можна підібрати найбільш відповідний спосіб кріплення агрегату.
Переваги мотор-редукторів
Якщо говорити про переваги даного редуктора, то можна назвати:
- Довговічність і надійність, що вже було згадано раніше;
- Наявність спеціальної технічної документації, здатної підтвердити відповідність агрегату нормативним стандартам, а також сертифіката, що підтверджує якість виробу;
- Легкість в управлінні;
- Наявність інструкції;
- Надання гарантійного терміну.
Також сюди можна віднести невелику ціну.
Умови експлуатації
Експлуатація редукторів вимагає дотримання певних умов, серед яких можна відзначити кілька найбільш важливих.
- Навантаження, що прикладається на редуктор, повинне бути спрямоване в одну сторону і бути реверсивним.
- Використання цього пристрою повинна здійснюватися безперебійно або з короткочасними, але регулярними перервами.
- Тривалість роботи агрегату повинна знаходитися в межах від 8 до 24 годин на добу.
- Редуктор повинен експлуатуватися в умовах неагресивного середовища, а це значить, що всі необхідні показники повинні відповідати нормативним.
Також однією з умов є можлива експлуатація обладнання в температурному діапазоні від -40 до +50 градусів Цельсія. Завдяки дотриманню необхідних умов вдасться забезпечити довгий термін служби редуктора, а також знизити ризик виникнення різних несправностей.
Ви можете придбати редуктор типу 1МЦ2С-100 на нашому сайті, оформивши покупку в режимі онлайн. Після подачі заявки з вами зв'яжеться наш менеджер для уточнення введених вами даних, а також обговорення способів доставлення товару. Якщо у вас виникнуть будь-які питання, ви можете задати їх консультантам нашого магазину за допомогою телефонного дзвінка або листа на електронну пошту.
| Інформація щодо товару | |
|---|---|
| 1000-200 | |
























