Редуктори черв`ячні Ч-100
Черв'ячний редуктор є одним з видів редукторів загальнопромислового використання і основною комплектуючою частиною загальнопромислових приводів.
Виготовлення згідно з власним ТУ
Широкий діапазон передаточних чисел
Ціна:
** Ціни діють тільки на території України
-
Гарантия:18 мес.
-
Доставка:1-2 раб. дня
-
Оплата:По 20% предоплате
Технические характеристики редукторов Ч


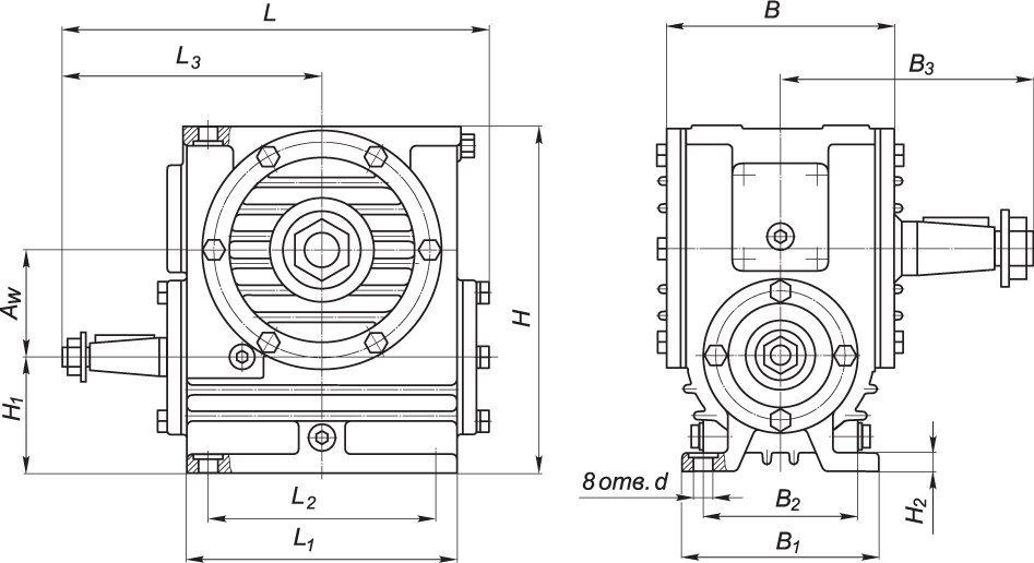
ГАБАРИТНЫЕ И ПРИСОЕДИНИТЕЛЬНЫЕ РАЗМЕРЫ РЕДУКТОРОВ Ч-100 - Ч-160
Редуктор | Aw | B | B 1 | B 2 | B 3 | H | H 1 | H 2 | L | L 1 | L 2 | L 3 | d |
Ч-100 | 100 | 194 | 175 | 140 | 225 | 312 | 100 | 18 | 373 | 240 | 200 | 225 | 19 |
Ч-125 | 125 | 243 | 230 | 190 | 230 | 396 | 111 | 22 | 437 | 275 | 230 | 261 | 19 |
Ч-160 | 160 | 282 | 280 | 230 | 280 | 500 | 140 | 30 | 551 | 350 | 300 | 345 | 22 |
ГАБАРИТНЫЕ И ПРИСОЕДИНИТЕЛЬНЫЕ РАЗМЕРЫ РЕДУКТОРОВ Ч-200
Типоразмер | Размеры, мм | ||||||||||||||
aw | A | A1 | B | B1 | L | L1max | L2 | L3 | H | H1 | с | d | dвх | dвых | |
Ч-200 | 200 | 475 | 420 | 330 | 275 | 662 | 1110 | 340 | 355 | 575 | 160 | 32 | 24 | 45 | 80 |

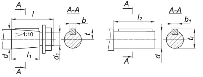
ПРИСОЕДИНИТЕЛЬНЫЕ РАЗМЕРЫ БЫСТРОХОДНОГО ВАЛА РЕДУКТОРОВ Ч-100 - Ч-160
Редуктор | d | d 1 | l | l 1 | b | t |
Ч-100 | 32 | М20х1,5 | 80 | 58 | 6 | 17,05 |
Ч-125 | 32 | М20х1,5 | 80 | 58 | 6 | 17,05 |
Ч-160 | 40 | М24х2,0 | 110 | 82 | 10 | 20,95 |

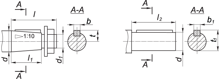
ПРИСОЕДИНИТЕЛЬНЫЕ РАЗМЕРЫ ТИХОХОДНОГО ВАЛА РЕДУКТОРОВ Ч-100 - Ч-160 (2 ВАРИАНТА)
Редуктор | d | d 1 | l | l 1 | l 2 | b | t | b 1 | t 1 |
Ч-100 | 45 | М30х2,0 | 110 | 82 | 90 | 12 | 23,45 | 14 | 48,5 |
Ч-125 | 55 | М36х3,0 | 110 | 82 | 110 | 14 | 28,95 | 16 | 59 |
Ч-160 | 70 | М48х3,0 | 140 | 105 | 140 | 18 | 36,375 | 20 | 74,5 |

ПРИСОЕДИНИТЕЛЬНЫЕ РАЗМЕРЫ ПОЛЫХ ВАЛОВ РЕДУКТОРОВ 2Ч-40 - Ч-160 (2 ВАРИАНТА)
Редуктор | d | d 1 | l | l 1 | b | t | D х m х H8 |
Ч-100 | 46 | 35 | 205 | 90 | 10 | 38,3 | 45 х 2,0 х Н8 |
Ч-125 | 60 | 40 | 230 | 110 | 12 | 43,3 | 55 х 2,5 х Н8 |
Ч-160 | 72 | 60 | 275 | 130 | 18 | 64,4 | 70 х 2,5 х Н8 |
ВАРИАНТЫ СБОРКИ РЕДУКТОРОВ Ч (вид сверху, червяк под колесом)

ВАРИАНТ РАСПОЛОЖЕНИЯ ЧЕРВЯЧНОЙ ПАРЫ В РЕДУКТОРАХ Ч (вид сбоку)

Черв'ячний редуктор Ч-100
Одноступеневий редуктор з черв'ячною передачею Ч-100 є редуктором загального промислового використання, основне завдання, яке виконує такий редуктор - це зміни обертального моменту і частоти обертання валу на виході. Для нормальної роботи редуктора клімат повинен бути помірним, з сухим і вологим тропічним кліматом.
Особливості конструкції редуктора Ч-100
Редуктор Ч-100 виробляється на лапах, які відливаються разом з корпусом. Саме завдяки лапам монтаж і використання редуктора може здійснюється з декількома версіями розміщення черв'ячної пари.- Черв'ячний вал, розташований під колесом;
- Черв'ячний вал, розташований над колесом;
- Вертикальний черв'ячний вал і вал колесо при фіксації редуктора до стінки розташованої вертикально або кронштейну.
Виходячи від взаємного розташування вихідних кінців валів редуктори виконується відповідно до одного з варіантів збірки: 51 збірка, 52 збірка, 53 збірка, 56 збірка.
Складові частини черв'ячного редуктора Ч-100
Редуктор Ч-100 складається з нероз'ємного корпусу, кришок і підшипників черв'ячного вала, кришок службовців опорами черв'ячного вала колеса, черв'ячний вал в зборі, черв'ячні колесо, зібране з валом, крильчатки, кожуха, віддушини, пробки для затоки та зливу масла.Сфера використання черв'ячних редукторів
Найчастіше такий редуктор використовується як привід для бетономішалок, підіймачів, транспортерів і конвеєрів.Щоб купити черв'ячний редуктор Ч-100 - Вам необхідно:
- Зв'язок з нами по одному з вказаних номерів телефонів;
- написати повідомлення в онлайн-чат;
- залишити заявку на пошту;
- замовити товар через кошик натиснувши на кнопку «Купити» або «Купити в один клік».
| Інформація щодо товару | |
|---|---|
| 1000-888 | |












